Funk-Wetterstation WS 200 Außensensor KS 200
Aus ELVjournal
05/2005
0 Kommentare
Damit
alle wichtigen Wetterdaten, insbesondere auch für die Wettervorhersage,
zur Verfügung stehen, ist neben der Basisstation der Kombi-Außensensor
KS 200 erforderlich. Dieser Kombi-Sensor liefert die Außentemperatur,
die relative Außenluftfeuchte und die Windgeschwindigkeit.Allgemeines
Im
„ELVjournal“ 4/2005 haben wir die Wetterstation WS 200 mit ihren
außergewöhnlichen Leistungsmerkmalen vorgestellt. Die Basisstation WS
200 liefert die Innentemperatur, die Innenfeuchte und den barometrischen
Luftdruck. Wichtig sind natürlich auch die Wetterdaten des
Außenbereichs, ohne die eine Vorhersage des Wetters für die nächsten
Stunden unmöglich ist.Der
batteriebetriebene Kombi-Sensor KS 200 liefert völlig kabellos die
Wetterdaten des Außenbereichs. Die Übertragung erfolgt im
868-MHz-Frequenzbereich mit einer Freifeldreichweite von bis zu 100 m.
Die Konstruktion des Kombi-Sensors, der gleichzeitig die Sensoren für
Außentemperatur und Außenluftfeuchte sowie das Schalenkreuz-Anemometer
zur Wind- Umwelttechnik geschwindigkeitsmessung, den Funksender und die
Batterien enthält, ermöglicht die völlig freie Aufstellung bzw.
Anbringung des Sensors auch unter Sonneneinstrahlung und unter Einfluss
von Niederschlägen. 
|
| Bild 11: KS 200 mit 25 cm Edelstahlstab inkl. Schelle für die Befestigung an weiteren Masten oder Balkonstreben |
Rippenförmig
angeordnete Schirme mit definierten Lufteinlässen sorgen für eine
geschützte, gleichmäßige Luftströmung und schützen die Sensoren vor
direkter Sonneneinstrahlung. Dadurch wird immer die in der Meteorologie
übliche Schattentemperatur gemessen. Selbst bei sehr geringen
Windgeschwindigkeiten registriert das Schalenkreuz-Anemometer die
Windgeschwindigkeit. Da alle Komponenten, inklusive Auswerteelektronik,
Sendetechnik und Batterien im Sensorgehäuse untergebracht sind, ist eine
sehr flexible Platzierung möglich. Zur Befestigung wird der KS 200 mit
einem 25 cm langen Befestigungsrohr, einem Universal-Befestigungsprofil
und einer Befestigungsschelle geliefert.
Weiteres
Befestigungsmaterial ist optional erhältlich. So steht ein dreiteiliger
Sensormast mit einer Gesamtlänge von 1,62 Meter und eine universell
einsetzbare Mastschelle für die Befestigung des Sensormastes an
Balkongeländer oder Streben zur Verfügung. Abbildung 11 zeigt die
Befestigung des Sensors mit dem zum Lieferumfang gehörenden Zubehör an
einen weiteren Mast. Empfohlen wird eine Montagehöhe von mindestens 1,5
Meter über dem Boden. Zur Spannungsversorgung des Sensors dienen
handelsübliche Alkaline-Mignon- Batterien (LR06/AA), die eine
Lebensdauer von bis zu drei Jahren haben.

|
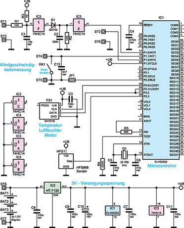
| Bild 10: Schaltung des Kombi-Außensensors KS 200 |
In
Abbildung 10 ist die Schaltung des Kombi-Sensors KS 200 dargestellt,
bei der der Single-Chip-Mikrocontroller IC 1 das zentrale Bauelement
ist. Dieser verarbeitet die Signale von den Sensoren und sorgt für die
Übertragung des Datentelegramms zur Basisstation. Neben dem Controller
ist nur noch wenig externe Elektronik erforderlich. Die
Windgeschwindigkeit wird mit Hilfe des Reed-Kontaktes RK 1 erfasst. Dazu
ist am Schalenkreuz-Anemometer ein rotierender Magnet angeordnet, der
bei jeder Umdrehung des Anemometerrades den Reed-Kontakt einmal kurz
anzieht. Der Reed-Kontakt ist direkt mit Port 1.1 des Controllers
verbunden. Da der Controller über einen internen Pull-up-Widerstand
verfügt, ist zur Funktion keine weitere Beschaltung erforderlich.C
12 dient in diesem Zusammenhang ausschließlich zur Störunterdrückung.
Für das Zeitmanagement verfügt der Controller über zwei integrierte
Taktoszillatoren, die extern an Pin 11 und Pin 12 sowie an Pin 14 und
Pin 15 zugänglich sind. Der Oszillator an Pin 14, Pin 15 arbeitet mit
langsamer Taktfrequenz und ist mit einem 32-kHz-Uhrenquarz (Q 1)
beschaltet. Des Weiteren sind hier die Kondensatoren C 5 und C 6
erforderlich. Im Gegensatz dazu benötigt der schnelle Oszillator an Pin
11 und Pin 12 nur einen Widerstand (R 5) als externe Beschaltung. Der
im 868-MHz-Bereich arbeitende HF-Sender erhält direkt vom
Mikrocontroller (P 3.3) das zu übertragende Datentelegramm. Da die
Ruhestromaufnahme des Senders sehr gering ist, wird dieser ständig mit
der 3-V-Betriebsspannung +UB versorgt. Aktiviert wird der Sender jeweils
durch das Datentelegramm. Die Messung der Außentemperatur und der
zugehörigen relativen Luftfeuchte wird mit dem Sensorbaustein FS 1
vorgenommen. Da das Sensor-IC über ein digitales Interface verfügt, ist
die direkte Verbindung mit dem Mikrocontroller möglich. Die
unidirektionale Clockleitung ist mit Port 3.0 und die bidirektionale
Datenleitung direkt mit Port 3.1 des Controllers verbunden. Auch der
Sensor wird mit +UB (3 V) versorgt. Der Kondensator C 3 dient zur
Störabblockung direkt an den Versorgungspins des Bausteins. Der
Kondensator C 4 sorgt für einen definierten Reset beim Anlegen der
Betriebsspannung. Die
im oberen Bereich des Schaltbildes dargestellte, mit IC 3 und externen
Komponenten realisierte Schaltung wird bei dem KS 200 nicht genutzt. Die
gleiche Leiterplatte kommt auch im Kombi-Außensensor KS 300 zum
Einsatz, wo diese Schaltung für die Regenerkennung zuständig ist.
Ebenfalls wird der Eingang ST 3, ST 8 beim Kombi-Außensensor KS 200
nicht genutzt. Die Spannungsversorgung des KS 200 besteht (wie bereits
erwähnt) aus drei Mignon-Zellen, die an ST 6 und ST 7 angeschlossen
sind. Die Batteriespannung gelangt direkt auf den Eingang des
Spannungsreglers IC 2, an dessen Ausgang dann stabilisiert 3 V zur
Verfügung stehen. Im Bereich der Spannungsversorgung dienen die
Kondensatoren C 7 bis C 11 zur allgemeinen Stabilisierung und zur
Schwingneigungsunterdrückung. Nachbau

|
| Bild 12: Explosionszeichnung des Kombi- Außensensors KS 200 |
Wie
bei der Basisstation WS 200 handelt es sich beim Kombi-Außensensor KS
200 auch um einen „Almost ready-torun“- Bausatz, bei dem die
Leiterplatte fertig bestückt und getestet geliefert wird. Da der Bereich
der Elektronik, der direkt von der Außenluft umströmt wird, mit einem
Schutz-Tauchlack überzogen ist, ist auch bereits der Reed-Kontakt zur
Windgeschwindigkeitserfassung werkseitig montiert. Auch der HF-Sender
wird komplett bestückt und abgeglichen geliefert, so dass im
Wesentlichen nur noch der Zusammenbau der Komponenten vorzunehmen ist.
Die Explosionszeichnung in Abbildung 12 verschafft einen ersten
Überblick über den Aufbau des KS 200.Der Aufbau des Kombi-Außensensors KS 200 ist damit abgeschlossen und wir kommen zur Inbetriebnahme des Gesamtsystems. Inbetriebnahme
Grundsätzlich
ist zu empfehlen, die Basisstation mit allen Außensensoren (sofern
neben dem Kombi-Sensor noch weitere Sensoren zum Einsatz kommen) zuerst
in einem Raum auszuprobieren, bevor die Montage im Außenbereich erfolgt.
Der Abstand zwischen der Basisstation und den Sensoren sollte dabei
jedoch mindestens zwei Meter betragen. Wenn nach der Montage im
Außenbereich einer der Sensoren nicht empfangen wird, ist mit Sicherheit
von einem gestörten Funkempfang auszugehen.Zur
Inbetriebnahme ist beim Kombi- Sensor das Batteriefach durch
Linksdrehung zu entriegeln und nach unten zu öffnen. Durch Einsetzen von
3 Mignon-Alkaline- Batterien (LR06/AA) wird der Sensor aktiviert, der
sich ca. 5 Minuten im Synchronisationsmodus befindet, in dem im
4-Sekunden-Intervall jeweils ein Datenpaket gesendet wird. Nach ca. 5
Minuten geht der Sensor automatisch in den normalen Betriebsmode, wo
dann ca. im 3-Minuten- Takt ein Datentelegramm zur Basisstation
übertragen wird. Bei
der Basisstation werden nach dem Einlegen der Batterien kurzzeitig alle
Segmente des Displays angezeigt. Danach aktiviert die Station für 15
Minuten automatisch den Synchronisationsmodus, wo nacheinander alle
empfangenen Wetterdaten angezeigt werden. Sind alle eingesetzten
Sensoren bereits empfangen worden, kann der Synchronisationsmodus durch
Drücken einer beliebigen Taste vorzeitig beendet werden. Voraussetzung
ist jedoch, dass alle Sensoren ihren Synchronisationsmodus bereits
beendet haben. Nach
der Synchronisation erfolgt die normale Anzeige aller Wetterdaten.
Sonnenaufgang, Sonnenuntergang sowie die Mondphase werden zu diesem
Zeitpunkt noch nicht angezeigt, weil dazu zuerst Uhr und Kalender
entsprechend der Konfigurationseinstellung in der Bedienungsanleitung
gestellt werden müssen. Die Basisstation kann wahlweise an die Wand
gehängt werden (auf der Rückseite befindet sich dazu eine entsprechende
Öffnung) oder mittels des Standfußes auf einer waagerechten Fläche
aufgestellt werden. 
|
| Die
Basisplatine von der SMD-Seite (oben) mit allen montierten Komponenten
und von der Platinenunterseite (unten), wo nur wenige Komponenten und
der HF-Sender zu montieren sind |
Fachbeitrag online und als PDF-Download herunterladen
Inhalt
Sie erhalten den Artikel in 2 Versionen:
als Online-Version
als PDF (6 Seiten)
Sie erhalten folgende Artikel:
- Funk-Wetterstation WS 200 Außensensor KS 200
- 1 x Journalbericht
- 1 x Schaltplan
Hinterlassen Sie einen Kommentar: