USB-Master-Slave UMS 100
Aus ELVjournal
01/2006
0 Kommentare
Technische Daten
| Spannungsversorgung | 230 V/50 Hz |
| Leistungsaufnahme | 0,3 W |
| Schaltleistung | Max. 3680 VA (230 V/16 A) |
| USB-Anschluss | USB-Mini-Buchse, USB 1.1/2.0 |
| Abm. (B x H x T) | 56 x 39 x 134 mm (ohne Stecker) |
Die
USB-Master-Slave-Schaltsteckdose schaltet abhängig vom Betriebszustand
des per USB verbundenen PCs angeschlossene Geräte ein und aus. So kann
man z. B. PC-Peripheriegeräte wie Drucker, Scanner, Aktivlautsprecher
usw. zusammen mit dem PC schalten. Sehr praktisch und stromsparend ist
auch die automatische Abschaltung, wenn sich der USB im Suspend-Modus
befindet und die USB-Versorgungsspannung dennoch anliegt, was bei vielen
modernen Computern sogar im ausgeschalteten Zustand der Fall ist.
Zusätzlich ist der PC, sofern das Betriebssystem dies unterstützt, durch
den Taster am UMS 100 aus dem Ruhezustand wieder aktivierbar
(Wake-up-Funktion).Lauscher am Bus
So
genannte Master-Slave-Schaltungen sind im Prinzip nichts Neues, man
findet sie inzwischen sogar schon als Grundausstattungen bei
Steckdosenleisten der gehobenen Preisklasse. Ein Hauptgerät wird
geschaltet, die Master-Slave-Schaltung wer tet dessen Stromaufnahme aus
und schaltet die angeschlossenen Steckdosen. Komfortable Versionen
berücksichtigen die Stand-by-Stromaufnahme des Hauptgerätes und sind
entsprechend einstellbar. Eine sehr zuverlässige Art der Fernschaltung
im Computerbereich ist die der Auswertung von an den Schnittstellen des
PCs liegenden Spannungen, etwa am USB. Sie eröffnet etwa auch nicht
netzspan nungsbetriebenen Geräten, wie dem Notebook, die einfache
Möglichkeit, die Peripherie fernzuschalten. Allerdings geben zahlreiche
moderne Rechner heute auch im ausgeschalteten Zustand die USB-Spannung
aus, so kann man etwa USB-Ladegeräte oder andere Geräte, die auch im
ausgeschalteten Zustand des PCs wenigstens in einem Stand-by-Zustand
betrieben werden sollen, weiter mit Spannung versorgen.Hier
funktionieren jedoch herkömmliche USB-Master-Slave- Schalter, die
allein auf das Vorhandensein der USB-Spannung reagieren, nicht mehr. Die
Lösung in diesem Fall muss also dahin gehen, auszuwerten, ob der
Rechner tatsächlich eingeschaltet ist, das Betriebssystem läuft und die
zu schaltende Peripherie eingeschaltet werden soll. Es ist also
auszuwerten, ob der USB aktiv ist, also Datenverkehr herrscht. Genau
dies tut der neue UMS 100. Er beobachtet via internem USB-Controller den
Datenverkehr auf dem USB und schaltet den optisch getrennten
Leistungsschalter aus, sobald der USB sich im so genannten Suspend-Mode
befindet, das Betriebssystem also abgeschaltet ist bzw. sich im
Ruhemodus befindet. Um eine ungewollte Reaktion auf unerwünschte
Spannungsimpulse, etwa beim Hochfahren des Rechners oder Einschalten
eines USB-Hubs zu vermeiden, ist eine Ausschaltverzögerung von 30 Sek.
eingebaut. Und da wir ohnehin einen USB-Controller zur Auswertung
einsetzen, kommt hier noch eine zusätzliche Komfortfunktion zum Einsatz –
per Taster am UMS 100 kann man den Rechner über den so genannten
Remote-Wake-up-Befehl aus seinem Ruhezustand erwecken, sofern das
Betriebssystem bzw. BIOS/Hardware des Rechners dies unterstützen.
Schließlich ist die Schaltfunktion des UMS 100 bei Bedarf auch vom
Betriebssystem des Rechners aus (de-) aktivierbar. Inbetriebnahme, Funktion und Bedienung
Der
UMS 100 ist im praktischen ELVStecker- Steckdosen-Gehäuse
untergebracht. Das Gerät wird in eine Netzsteckdose gesteckt, an die
integrierte Steckdose wird die Last, meist via Steckdosenleiste,
angeschlossen.Funktionstest
Verbindet
man nun die Mini-USB-Buchse des Gerätes über ein USB-Kabel mit einer
USB-Schnittstelle des eingeschalteten PCs bzw. mit einem USB-Hub, werden
die Steckdose aktiviert und die angeschlossenen Verbraucher
eingeschaltet. Gleichzeitig leuchtet die Kontrolllampe am UMS 100 auf.
Trennt man nun den USB-Stecker vom PC/Hub, schaltet sich die
Kontrolllampe sofort und die Steckdose um 30 Sek. verzögert ab. Ist
dieser Funktionstest erfolgreich verlaufen, kann nun nach
Wiederanschluss des USB-Kabels die Funktion durch Herunterfahren des
PCs, entweder in den Stand-by-Modus /Ruhezustand oder in den
Ausschaltzustand, getestet werden. 30 Sek. nach dem Abschalten bzw.
Aktivieren des Ruhezustands schaltet sich nun auch die Steckdose des UMS
100 ab. Beim erneuten Einschalten des Computers bzw. Reaktivieren aus
dem Ruhezustand schaltet sich die Steckdose sofort wieder ein. Da es
beim Hochfahren des Computers je nach Hardware, BIOS und Betriebssystem
zum mehrmaligen Ab- und Anschalten des USBs kommen kann, wird hier die
bereits erwähnte Ausschaltverzögerung wirksam. Sie ist mit 30 Sek. so
gewählt, dass ein üblicher Systemstart problemlos ohne
zwischenzeitliches Abschalten der peripheren Lasten ausgeführt wird.Treiberinstallation
Obwohl
die bisher genannten Funktionen auch ohne Installation eines Treibers
auf dem PC funktionieren, handelt es sich dennoch um ein klassisches
USB-Gerät. Das Betriebssystem des Rechners registriert also den
Anschluss des UMS 100 und verlangt die Installation eines Treibers.
Dieser ist auch nötig, um die erwähnte Remote- Wake-up-Funktion sowie
die Fernsteuerung des UMS 100 vom Betriebssystem aus realisieren zu
können. Verlangt also das Betriebssystem nach Anschluss des UMS 100 nach
einem Treiber, ist dieser von der mit dem Gerät gelieferten CD-ROM aus
zu installieren. Dabei muss man lediglich den Anweisungen des
Windows-Hardware-Installations-Assistenten folgen. Die zwischenzeitliche
Warnung, dass es sich um einen unsignierten Treiber ohne Windows-Logo
handelt, ist dabei zu ignorieren. Nach Abschluss der Treiberinstallation
sind die folgend aufgeführten Funktionen zugänglich.Remote-Wake-Up
Unterstützen
Board, BIOS und Betriebssystem die so genannte Remote-Wake-up-
Funktion, kann der PC über die Bedientaste am UMS 100 aus dem
Ruhezustand aktiviert werden.Schalten vom Betriebssystem aus
Auch
das Schalten über das Betriebssystem ist möglich. Dazu ist über die
Windows- Systemsteuerung (MS Windows 2000/XP: System‡Hardware) der
Gerätemanager zu öffnen und hier die Gruppe der USB-Controller. Bei
ordnungsgemäß installiertem Treiber erscheint hier „ELV USB-Master-
Slave-Schaltsteckdose UMS 100“. Soll das Gerät deaktiviert werden, so
drückt man nach dessen Anwahl die rechte Maustaste und wählt hier die
Option „Deaktivieren“. Nach einer zu bestätigenden Warnmeldung erscheint
der Eintrag mit einem roten Kreuzchen. Über den gleichen Weg lässt sich
aus diesem Zustand heraus das Gerät wieder aktivieren. Unter MS Windows
Me/98SE erfolgt die Aktivierung/Deaktivierung durch einen Doppelklick
auf den Treibereintrag sowie das Setzen bzw. Löschen eines Häkchens bei
der Option „In diesem Hardwareprofil deaktivieren“ im Menü
„Eigenschaften“. Während das Abschalten der an den UMS 100
angeschlossenen Geräte erst nach der bereits diskutierten
Abschaltverzögerung erfolgt, geschieht das Einschalten sofort bei der
Aktivierung des Gerätes und später, wie bereits beschrieben, beim
Hochfahren des PCs.Eine
Besonderheit ist hier zu beachten: Hat man die Funktion deaktiviert,
wird die Schaltsteckdose beim nächsten Rechnerstart dennoch während des
„BIOSStarts“ kurz eingeschaltet, jedoch beim Windows-Start wieder
ordnungsgemäß abgeschaltet. Schaltung
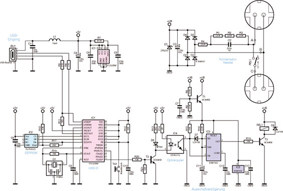
Die
in Abbildung 1 gezeigte Schaltung unterteilt sich in den
USB-Interface-Teil, den Leistungsschalter mit der Ausschaltverzögerung
und das Netzteil für den galvanisch vom USB-Teil getrennten
Leistungsschalter-Teil.
|
| Bild 1: Das Schaltbild des USB-Master-Slave UMS 100 |
Beginnen
wir mit dem Netzteil oben rechts. Da der Leistungsschalter sowie die
Ausschaltverzögerung durch einen Optokoppler galvanisch vom USB-Teil und
damit vom PC getrennt sind, reicht hier ein Kondensatornetzteil zur
Spannungsversorgung aus. Die Netzspannung gelangt über den Kondensator C
2 (fungiert als Blindwiderstand, dimensioniert für ca. 12 mA
Betriebsstrom) auf den Brückengleichrichter, bestehend aus D 2 bis D 5. C
3 glättet die erzeugte Gleichspannung und D 1 begrenzt die
Betriebsspannung +UB auf ca. 22 V. Die an ihr entstehende
Verlustleistung bei ausgeschaltetem Relais von etwa 264 mW wird später
über die Durchkontaktierung der Platine und eine daran anschließende
Kupferfläche abgeführt. R 4 begrenzt den Einschaltstrom der Schaltung, R
1 bis R 3 entladen den Kondensator, wenn die Schaltung vom Netz
getrennt wird. Dies verhindert einen elektrischen Schlag, falls man
danach den Netzstecker des Gerätes berührt. GND 2 bedeutet hier, dass
die Betriebsspannung +UB komplett galvanisch vom USB-Teil entkoppelt
ist. Zur
Spannungsversorgung gehört auch die Transistorstufe mit T 1, sie setzt
die Betriebsspannung von 22 V auf die 10 V herab, die zur Versorgung der
Verzögerungsstufe mit IC 3 dienen. Wenden wir uns damit diesem
Schaltungsteil zu. Er beginnt mit dem Optokoppler IC 4, der die
vollständige galvanische Trennung zwischen USB- und Leistungsteil
realisiert. Der Optokoppler gibt das Schaltsignal auf die
Verzögerungsstufe mit IC 3, die für eine Ausschaltverzögerung von etwa
30 Sek. sorgt. Diese ist notwendig, damit der Schalter auch bei kurzen
USB-Impulsen immer die volle Wartezeit einhält. Die Verzögerungsstufe
ist mit dem Timer-IC ICM 7555 aufgebaut, einem Verwandten des bekannten
Zeitgeber-Schaltkreises NE 555, der sich u. a. durch eine geringere
Stromaufnahme auszeichnet. Das Durchschalten des Optokopplers IC 4
erzeugt einen Low-Pegel am Trigger- Eingang „TRI“ von IC 3, R 15 dient
als Pull-up-Widerstand. Dies führt am Ausgang „OUT“ zu High-Pegel, der
den Schalttransistor T 3 durchsteuert und das Relais REL 1 schaltet. Der
interne Entladetransistor am Anschluss „DIS“, der bis zu diesem
Zeitpunkt den positiven Anschluss von C 11 auf GND2-Potential gehalten
hat, wird gesperrt, so dass sich C 11 über R 16 aufladen kann. Die Zeit,
die diese Aufladung in Anspruch nimmt, ist die gewünschte
Ausschaltverzögerung. Damit C 11 nicht sofort nach dem Durchschalten von
IC 4 aufgeladen wird, sondern erst nach dem Abschalten (es soll ja eine
Ausschaltverzögerung realisiert werden), verhindert die Diode D 7 das
Aufladen von C 11, solange der Optokoppler durchgeschaltet ist. Ist der
Optokoppler hingegen gesperrt (USB „abgeschaltet“), startet der
beschriebene Ladevorgang. Nachdem sich C 11 auf 2/3 der
Versorgungsspannung von IC 3 aufgeladen hat, schaltet IC 3 seinen
Ausgang (OUT) wieder auf Low-Pegel. Der
Transistor T 3 sperrt und das Relais REL 1 öffnet – die Steckdose wird
abgeschaltet. Außerdem entlädt IC 3 den Kondensator C 11 über den
erwähnten internen Entladetransistor am Anschluss „DIS“, so dass die
Ausschaltverzögerung für den nächsten Zyk lus bereit ist. Der USB-Teil
besteht aus dem USBController IC 1, dem EEPROM IC 2 sowie der
Optokoppler-Stufe T 2/IC 4. Die Spannungsversorgung dieses
Schaltungsteils erfolgt über den USB. Das EEPROM IC 2 enthält den
Herstellercode, den Gerätenamen und die Geräte-Konfiguration. Q 1 sorgt
für die Stabilisierung der Taktfrequenz des USB-Controllers IC 1, der
die Kommunikation am USB übernimmt. TA 1 steuert den /RI-Eingang des
Controllers an. Ist dieser auf „low“ geschaltet, löst er das
Wake-up-Signal auf dem USB aus. Über den /SLEEP-Ausgang des Controllers
wird ein High-Signal ausgegeben, solange die Schaltsteckdose vom PC oder
Hub als aktives USB-Gerät erkannt und betrieben wird. Dieses Signal
schaltet den Transistor T 2 durch, welcher wiederum den Optokoppler IC 4
durchschaltet. Gleichzeitig leuchtet die rote Kontroll- LED D 6 auf.
Der Anschluss des Gerätes an den USB erfolgt über eine Mini-USB-Buchse
(BU 1), die eine besonders platzsparende Montage im Gehäuse erlaubt. Nachbau
Der
Einbau der Schaltung erfolgt in ein Stecker-Steckdosen-Gehäuse mit
integriertem Bedientaster. Da alle SMD-Bauelemente bereits vorbestückt
sind, beschränkt sich die Bestückung auf die bedrahteten Bauteile. Als
Hilfe für eine exakte Bestückung dienen der Bestückungsplan, die
Stückliste sowie der Bestückungsdruck der Platine. Die Bestückung
beginnt mit den liegend zu montierenden Bauteilen D 1 und IC 4. Bei
beiden ist auf polrichtige Einbaulage zu achten. D 1 ist, wie alle
Dioden und Gleichrichter, an der Katodenseite mit einem Farbring
gekennzeichnet, IC 4 hingegen an Pin 1 mit einer Einkerbung, die mit der
Markierung im Bestückungsdruck korrespondieren muss. Es folgen C 4, der
liegend zu bestücken ist (siehe auch Platinenfoto, Polarität beachten,
Elkos sind am Minuspol gekennzeichnet), sowie TA 1. Dieser ist lediglich
an seinem Bestückungsplatz einzusetzen und die beiden Kontakte sind auf
der Leiterseite sauber umzubiegen. Die Anschlüsse dürfen nicht verlötet
werden! Jetzt folgen die restlichen Dioden und Gleichrichter, diese
sind stehend und polrichtig entsprechend des Bestückungsdrucks zu
montieren. Dies gilt auch für die nun folgenden C 3 und C 11. Auch die
Bestückung von R 4 erfolgt stehend. Danach werden C 2 und REL 1
bestückt. Die Schaltkontakt-Anschlüsse des Relais sind zunächst nicht
mit Lötzinn zu versehen.
|
| Bild 2: Zusammenbau des Steckdoseneinsatzes |
Damit
ist der Aufbau der Platine ab geschlossen und es kann mit dem Einbau in
das Stecker-Steckdosen-Gehäuse begonnen werden. Dazu ist die Platine
mit der Seite der bedrahteten Bauteile nach oben auf die Metallstifte
des Steckdoseneinsatzes zu schieben und die Passgenauigkeit im Gehäuse
zu prüfen (Abbildung 2). Sind die Stifte zu lang, ist es erforderlich,
diese an den entsprechenden Stellen zu kürzen. Anschließend sind die
Metallstifte zu sammen mit den Relais-Anschlüssen oben und unten an der
Platine mit reichlich Lötzinn festzulöten. Es folgt im Anschluss daran
das Aufstecken des Aufsatzes für die Kindersicherung auf die Achse des
Steckdoseneinsatzes. Nachdem das geschehen ist, ist die Kindersicherung
samt Druckfeder so einzubauen, dass die Löcher der Steckdose durch diese
abgedeckt werden. Anschließend wird der Steckdoseneinsatz samt Platine
in das Stecker-Steckdosen- Gehäuseunterteil eingebaut. Im Anschluss
daran wird die Steckdosenabdeckung über die Schutzleiterbügel geschoben
und das Stecker-Steckdosen-Gehäuseoberteil samt Tastereinsatz zum
Verschließen auf das Stecker-Steckdosen-Gehäuseunterteil aufgesetzt. Das
Gehäuseoberteil ist nun mit den 3 zugehörigen Gehäuseschrauben
zuzuschrauben, und die Inbetriebnahme kann erfolgen.Wichtiger Sicherheitshinweis
Aufgrund
der im Gerät frei geführten Netzspannung dürfen Aufbau und
Inbetriebnahme nur von Fachkräften durchgeführt werden, die aufgrund
ihrer Ausbildung dazu befugt sind. Die einschlägigen Sicherheits- und
VDE-Bestimmungen sind unbedingt zu beachten. Insbesondere ist es bei der
Inbetriebnahme zwingend erforderlich, zur sicheren galvanischen
Trennung einen entsprechenden Netz-Trenntransformator vorzuschalten, da
beim UMS 100 keine Netztrennung vorhanden ist.
|
| Ansicht
der fertig bestückten Platine des USB-Master-Slave mit zugehörigem
Bestückungsplan, oben von der Bestückungsseite, unten von der Lötseite |
Fachbeitrag online und als PDF-Download herunterladen
Inhalt
Sie erhalten den Artikel in 2 Versionen:
als Online-Version
als PDF (4 Seiten)
Sie erhalten folgende Artikel:
- USB-Master-Slave UMS 100
- 1 x Journalbericht
- 1 x Schaltplan
Hinterlassen Sie einen Kommentar: