Hausschaltsystem HS485 – 4fach-I/O-Modul
Aus ELVjournal
02/2006
0 Kommentare
Technische Daten
| Spannungsversorgung | 24 VDC |
| Stromaufnahme | max. 25 mA |
| Anschlüsse | 4 Kanäle, wahlweise Eingang oder Ausgang RS485-Busleitung |
Das
kompakte, hinter Schalter oder in Abzweigdosen montierbare I/O-Modul
kann auf insgesamt vier I/O-Kanälen wahlweise als Eingang oder
Anzeige-/Schaltausgang konfiguriert werden und so als universelle
Bedien- und Anzeigeschnittstelle des HS485-Hausschaltsystems dienen. Für
die Verbindung zu den weiteren Komponenten des Systems ist hier allein
noch der RS485-Bus inklusive Spannungsversorgung notwendig. Die
Konfiguration erfolgt per Software über das HS485-PC-Interface.Universal-Schnittstelle
Betrachtet
man die bisherigen Komponenten des HS485-Hausschaltsystems, so fällt
auf, dass für jeden Taster, den man an das System anschließen möchte,
eine Verbindung vom Taster zu einem beliebigen HS485-Modul hergestellt
werden muss. Das ist in Ordnung, solange sich die Module nicht weit
entfernt von den Tastern befinden oder nur wenige Taster angeschlossen
werden sollen. Will man jedoch von einem entfernteren Ort schalten oder
dort den aktuellen Zustand eines Aktors angezeigt bekommen, muss eine
andere, möglichst unaufwändige Lösung her, die allein den allgemeinen
Busanschluss nebst Spannungsversorgung, also das sicher meist zum
Einsatz kommende, vieradrige Telefonkabel, voraussetzt. Genau hier setzt
das neue I/O-Modul an. Es gliedert sich vollständig in das
HS485-Schaltsystem ein. Aufgrund seiner kompakten Abmessungen ist es für
die Unterputzmontage z. B. hinter Schaltern oder in Abzweigdosen sehr
gut geeignet. Es können bis zu 4 Taster oder bis zu 4 Leuchtdioden zur
Signalisierung angeschlossen werden. Mit den Tastern sind insgesamt bis
zu 64 Aktoren im HS485-Schaltsystem ansteuerbar. Die Programmierung
erfolgt über das HS485- PC-Interface. Damit stellt das Modul eine sehr
universell einsetzbare Schnittstelle zwischen Bedienung und Anzeige
einerseits und Steuerung und Überwachung der Aktoren andererseits dar.
Jeder I/O-Port des Moduls ist per Software wahlweise als Schalteingang
oder als Schaltausgang konfigurierbar, wobei man über den Ausgang nicht
nur LEDs ansteuern kann, sondern auch eigene Applikationen. Denkbar ist
hier ebenfalls (wie übrigens auch bei den anderen Systembausteinen) die
Anbindung einer Funk-Applikation, etwa, um Schaltzustände über größere
Strecken übertragen zu können. Auch eingangsseitig sind so
Funk-Applikationen anbindbar. Auf diese Weise kann man sehr einfach die
Vorteile einer Funk- und einer drahtgebundenen Haussteuerung
kombinieren. So gelingt in solch einer Kombination dann etwa auch die
unaufwändige Ansteuerung von Außenkomponenten über größere Strecken,
ohne dass diese direkt an die Gebäudestromversorgung angeschlossen sein
müssen.Schaltung

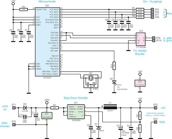
|
| Bild 1: Das Schaltbild des I/O-Moduls |
Die
Schaltung (Abbildung 1) setzt sich aus zwei Teilen zusammen. Der
Step-down- Wandler erzeugt die nötige 5-V-Betriebsspannung und der
Mikrocontroller samt Peripherie ermöglichen die Bus-Kommunikation und
die Abfrage/Steuerung der vier I/O-Kanäle. Die 5-V-Spannungsversorgung
wird über einen Step-down-Wandler aus der 24-V-Versorgungsspannung
erzeugt. Er arbeitet in einem weiten Spannungsbereich von 10 bis 30 V
und liefert einen Strom von bis zu 100 mA. Die Diode D 3 dient als
Schutzdiode und sichert die Schaltung gegen Verpolung der
Versorgungsspannung. Diese wird mit C 1 gepuffert und versorgt den
Schaltregler. Als Regler ist hier der MC34063 eingesetzt. Das Prinzip
dieses Step-down-Wandlers beruht auf der Speicherfähigkeit der Spule L
1. Dabei wird der Pin 2 von IC 1 sehr schnell anund ausgeschaltet. C 2
bestimmt dabei die Schaltfrequenz. In den Puls-Zeiten fließt Strom über
die Spule in den Kondensator C 3. Dieser und die Spule L 1 nehmen
Energie auf. In den Pausen-Zeiten wird der Strom von der Spule L 1
aufrechterhalten. Der Stromkreis ist dann über die Diode D 1
geschlossen. Die Spannung am Kondensator C 3 wird durch den
Spannungsteiler aus R 2 und R 3 geteilt und über Pin 5 von IC 1
gemessen. Der Schaltregler regelt so durch Veränderung des
Puls-Pause-Verhältnisses die Ausgangsspannung. Die geregelte
5-V-Spannung gelangt über Lötstifte auf die Prozessorplatine. Da fast
die gesamte Logiksteuerung innerhalb des Controllers IC 2 erfolgt, sind
nur wenige externe Komponenten nötig. Der Keramikschwinger Q 1 erzeugt
zusammen mit dem prozessorinternen Oszillator die Taktfrequenz von 4
MHz. An den Kontakten 23 bis 26 von IC 2 werden die 4 gleichwertigen
Kanäle angeschlossen. Sind die Pins als Ausgänge geschaltet, so
begrenzen die 330-Ω-Widerstände den Ausgangsstrom. Die Widerstände sind
so ausgelegt, dass mit dem fließenden Strom direkt Leuchtdioden
betrieben werden können. Sind die Pins des Controllers als Eingänge
geschaltet, dann dienen die Kondensatoren C 8 bis C 11 zur Filterung von
hochfrequenten Störungen. Für die Umwandlung von TTL- in RS485- Signale
wird der Baustein LT1785CS8 eingesetzt. Seine Eingänge sind bis 60 V
spannungsfest, so dass eine versehentliche Verbindung von
Spannungsversorgung mit der A- oder B-Leitung also nicht zu einer
Zerstörung des ICs führt. Die Leuchtdiode D 2 zeigt den Betriebszustand
des Moduls an. Im normalen Betrieb ist die Leuchtdiode erloschen, im
Einschaltmoment und im Fehlerfall blinkt sie. Konfiguration
Die
Konfiguration des Moduls erfolgt ausschließlich über das bereits im
„ELVjournal“ 1/06 vorgestellte HS485-PC-Interface mit der dazugehörigen
Software. Die vier Kanäle sind dabei für mehrere unterschiedliche
Funktionen konfigurierbar: 1. Eingang zum Einschalten von Aktoren 2.
Eingang zum Ausschalten von Aktoren 3. Eingang zum Toggeln von Aktoren,
d. h. Wechsel des Aktor-Zustands bei jedem Eingangsimpuls 4. Ausgang zum
direkten Ansteuern einer LED bzw. eigener Applikationen Bei der
Konfiguration als Eingang ist es zusätzlich möglich, diesen als Moment-
(Taster) oder Dauerkontakt (Schalter) einzustellen. Damit steht hier
auch die Ansteuerung etwa durch Funkempfänger oder übliche
Bewegungsmelder, Dämmerungsschalter etc. offen, die ja fast immer
Dauerkontakt-Ausgänge aufweisen. Selbstverständlich sind hier auch
mehrere parallel geschaltete Kontakte abschließbar, wobei man aber immer
das gewählte Schaltverhalten im Auge behalten muss. Hat man die
Kontaktart „Schalter“ in der Software ausgewählt, reagiert der Aktor bei
der o. g. Betriebsart 1 beim Einschalten des Schalters mit Einschalten
des Aktors, beim Ausschalten des Schalters mit Ausschalten des Aktors.
In der Betriebsart 2 ist das Verhalten umgekehrt. Ist ein Pin als
Ausgang geschaltet, so kann man hier eine Zeitsteuerung programmieren.
Der Ausgang kann dabei entweder als Treppenhausschalter oder als ein
automatisch abschaltender Ausgang reagieren. Beim Treppenhausschalter
wird die Zeit bei jedem Tastendruck neu gestartet. Wie der Name schon
sagt, ist dies vor allem in einem Treppenhaus sinnvoll. Hier bietet sich
als auslösender Kontakt auch ein Bewegungsmelder oder ein
Dämmerungsschalter an. Solange sich eine Person im Raum bewegt, wird so
der Eingang immer wieder neu gestartet, bis schließlich nach Verlassen
des Raumes und Ablauf der programmierten Zeit das Abschalten erfolgt.
Die Option „Automatisch ausschalten“ startet ebenfalls beim Einschalten
den Timer, der den Verbraucher nach der eingestellten Zeit abschaltet.
Hier gibt es jedoch die Option, den Timerlauf jederzeit zu unterbrechen
und sofort auszuschalten. Diese Option ist zum Beispiel in einem Keller-
oder Abstellraum sinnvoll. Das Licht schaltet sich automatisch nach der
eingestellten Zeit aus, kann jedoch per Tastendruck jederzeit auch
schon vorher wieder ausgeschaltet werden. Eine Besonderheit gibt es bei
diesem Modul: Wird ein Kanal als Ausgang geschaltet, so kann dieser
Ausgang seinen Zustand an einen beliebigen anderen Ausgang im System
übertragen. Hierdurch können Zustände von entfernten Aktoren angezeigt
werden. Dies Funktion kann man z. B. für Kontrollleuchten verwenden.
|
| Bild 2: Konfigurationsbeispiel für das I/O-Modul (siehe Text) |
In
der Abbildung 2 wird beispielhaft eine Konfiguration für einen HS485
IO4 UP aufgezeigt. Der Kanal 2 wird als Ausgang deklariert (Zeile 6). In
der Liste mit den Eingang- Ausgang-Zuordnungen (ab Zeile 21) wird als
Eingang der Kanal 2, als Ziel das Relais 1 des Moduls 0x2DE ausgewählt.
Ändert sich jetzt der Zustand von Kanal 2, z. B. durch Drücken eines
darauf programmierten Tasters, so wird der neue Zustand an das Relais 1
von Modul 0x2DE gesendet. Relais 1 nimmt den gleichen Zustand wie Kanal 2
an, gleichzeitig kann am I/O-Modul der Zustand des Relais 1 durch eine
LED angezeigt werden. In Zeile 12 ist übrigens die erwähnte Möglichkeit
genutzt, einen Taster-Eingang als „Schalter“ (Dauerkontakt) zu
konfigurierenInbetriebnahme

|
| Bild 3: Anschlussbeispiele für die Beschaltung der I/O-Ports mit Tastern, LED und Relais-Schaltstufen |
Zur
Inbetriebnahme ist das Gerät mit den Adern „+“ (Rot) und „-“ (Schwarz)
an die Betriebsspannung, und mit „A“ (Gelb) und „B“ (Grün) an den Bus
anzuschließen. An die Adern 1 bis 4 (Blau, nummeriert) sind LEDs bzw.
eigene Applikationen oder Taster anzuschließen (siehe Abbildung 3).
Werden LEDs angeschlossen, sind diese in Durchlassrichtung nach Masse zu
schalten, d. h. Anode an Ausgangsleitung, Katode an Masse. Sind die
Kanäle als Eingänge konfi- guriert, so muss der Tasterkontakt eine
Verbindung nach Masse herstellen. Bei Bedarf sind, wie in Abbildung 3 zu
sehen, auch größere Lasten per Relais-Schaltstufe ansteuerbar. Nicht
benötigte Anschlussleitungen müssen durch die Schutzkappe isoliert
werden. Nach dem Anlegen der Betriebsspannung blinkt die interne LED für
ca. 5 Sekunden auf. Die Programmierung erfolgt dann, wie bereits
beschrieben, mit dem HS485 PCI. Bleibt abschließend festzustellen, dass
mit dem I/O-Modul für das Haussteuersystem HS485 eine vielseitig
nutzbare Ein- und Ausgabe-Schnittstelle zur Verfügung steht, die dank
Bustechnik und Programmierbarkeit die Möglichkeiten des Systems deutlich
aufwertet und dieses in der Flexibilität wesentlich erweitert.
|
| Ansicht
der fertig bestückten Platine des I/O-Moduls mit zugehörigem
Bestückungsplan, links von der Bestückungsseite, rechts von der Lötseite |
Fachbeitrag online und als PDF-Download herunterladen
Inhalt
Sie erhalten den Artikel in 2 Versionen:
als Online-Version
als PDF (4 Seiten)
Sie erhalten folgende Artikel:
- Hausschaltsystem HS485 – 4fach-I/O-Modul
- 1 x Journalbericht
- 1 x Schaltplan
Hinterlassen Sie einen Kommentar: