Verstärkertechnik in der Audiowelt Teil 3/5: Leckerbissen der modernen Schaltungstechnik von Audio-Endstufen
Aus ELVjournal
02/2006
0 Kommentare
Im
letzten Artikel haben wir Ihnen die Standards der klassischen
Schaltungstechnik von Audio-Endstufen vorgestellt. Diese Entwicklungen
begannen Ende der 60er Jahre und liefen bis Mitte der 70er Jahre. Die
Phase des „Ausreizens“ begann dann zum Ende der 70er Jahre. In diesem
Artikel zeigen wir Ihnen sowohl die Weiterentwicklung der klassischen
Schaltungen als auch einige bahnbrechende, neue Schaltungen der
Hi-Fi-Welt.Die moderne Schaltung mit Differenzverstärker

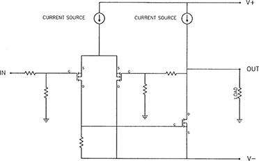
|
| Bild 1: Die moderne Schaltung mit Differenzverstärker |
Die
universelle Spannungsverstärker stufe von Nelson Pass (Abbildung 1)
zeigt eine relativ weit ausgereizte Variante der modernen
Vorstufenschaltungstechnik, die er in seinen Threshold-Endstufen
eingesetzt hat. Der Differenzverstärker, hier ein mono kristalliner,
selektierter Doppel-JFET (Q 1, Q 2) ohne lokale Source-Gegenkopplung
arbeitet als Kaskodenschaltung mit Q 3 und Q 4. Die Kaskode verhilft dem
JFET zu einem sehr harmonischen Klirrverhalten und macht ihn durch die
Eliminierung des Millereffekts sehr schnell. Mit harmonischem
Klirrverhalten ist ein gleichmäßiger Pegelabfall der Klirrkomponenten
hin zu hochwertigen Klirrkomponenten (k2, k3...kn) zu verstehen. Der
Arbeitspunkt muss beim JFET genau eingestellt werden, weil seine
Steilheit über dem Drain-Source-Strom variiert. Der Ruhestrom durch den
Differenzverstärker wird deshalb über die temperaturkompensierte
Stromquelle Q 11 eingestellt. Q 12 dient als Fühlerdiode der
Temperaturkompensation. Die Signalauskopplung passiert über den
Stromspiegel Q 5, Q 6 und ist somit ebenfalls temperaturkompensiert. Die
Spannungsverstärkerstufe ist hier ebenfalls als Kaskodenschaltung Q 6, Q
7 ausgeführt, um den Millereffekt auszuschalten und den Klirrfaktor zu
senken. Die Geschwindigkeit der Spannungsverstärkerstufe ist sehr hoch,
weil die Verlustleistung in Q 7 verheizt wird und für Q 6, wegen der
geringen Kollektor- Emitter-Spannung, ein schneller
Kleinsignaltransistor verwendet wird. Die Spannungsverstärkerstufe
arbeitet auch hier mit einer temperaturkompensierten Stromquelle Q 13, Q
14. Über D 3, D 1, Q 9, Q 10 wird die Kaskode der Ausgangsstufe präzise
eingestellt. Mit dem Kollektor von Q 10 kann das Ausgangssignal der
Spannungsverstärkerstufe im Fehlerfall, z. B. bei Übertemperatur,
abgeschaltet werden. Q 8 dient als variable Z-Diode zur Regelung des
Ruhestroms der Ausgangstransistoren. Q 8 dient hier aber nicht auch als
Temperaturfühler für die Leistungstransistoren, nein, die
Stromverhältnisse werden über Pin 5 am rechten Terminal von den
Emitterwiderständen abge griffen. Q 15, Q 16 sind die ersten
Transistoren der Leistungsstufe. Wir sehen hier eine Schaltung, die auf
der klassischen Schaltung mit dem einfachen Differenzverstärker basiert
und mit vielen Features optimiert wurde: Linearisierung und
Beschleunigung durch Kaskoden, temperaturkompensierte Arbeitspunkte, die
Koppelung der Spannungsverstärkerstufe mit dem Differenzverstärker über
einen Stromspiegel und die Ausführung des Differenzverstärkers mit
einem selektierten Doppel-JFET. Dies alles sind Maßnahmen, die die
Audio-Performance massiv steigern. Diese Schaltungstechniken sind
natürlich auch für die Schaltung mit doppel tem Differenzverstärker
anwendbar. Die genaue Beschreibung der einzelnen Maßnahmen und die
weiteren Möglichkeiten der Schaltungsoptimierung würden ein kleines Buch
füllen. Die meisten wurden von Dr. M. J. Hawksford in seinen
umfangreichen Publikationen beschrieben.Die Stromentlastung in der Ausgangsstufe
Wir
haben im letzten Artikel die klassische komplementäre und die
quasikomplementäre Endstufe kennen gelernt. Diese Varianten einer
Leistungsendstufe funktionieren mit einem Ausgangstransistor auf jeder
Spannungsseite sehr gut. Möchte man aber eine Endstufe mit sehr hoher
Leistung und höchstem Klangniveau bauen, dann wird’s etwas schwieriger.
Leistungstransistoren unterliegen Fertigungstoleranzen, die sich im
Übertragungsverhalten und in der Ansteuerung bemerkbar machen.
Hauptsächlich machen dabei unterschiedliche Basis-Emitter-Spannungen und
das unterschiedliche Stromverstärkungsverhalten der Transistoren
Probleme. Rein schaltungstechnisch betrachtet, lässt sich dieses Problem
mit Emitter- und Basiswiderständen sowie einer kräftigen Treiberstufe
in den Griff bekommen. Klanglich ist das Parallelschalten von vielen
Leistungstransistoren aber problematisch. Man muss sie genau ausmessen,
sonst ist das Klangbild „undurchsichtig“. Die folgende Schaltung löst
das Problem sehr elegant.Die Threshold-Ausgangsstufe

|
| Bild 2: Die Threshold- Ausgangsstufe |
In
der Variante der Threshold-Ausgangsstufe (Abbildung 2) arbeiten Q 1 und
Q 2 mit einem hohen Ruhestrom in Class-ASchaltung. Beim Übergang in den
Class- AB-Betrieb erhöht sich die Spannung der Kollektorwiderstände R
1, 4, 5, 6, und die Transistorarmada Q 3...Q 32 unterstützt und
entlastet die Class-A-Treiberstufe. Noch besser ist das
Übertragungsverhalten, wenn man im Ruhezustand durch Q 1 und Q 2 den
maximal notwendigen Steuerstrom fließen lässt und Q 3...Q 32 so
aufsteuert, dass nur ein geringer Ruhestrom durch Q 3...Q 32 fließt. Es
gibt dann keinen Übergangsbereich vom Class-A-Bereich der Treiberstufe Q
1, Q 2 in den Class- AB-Bereich. Die Verzerrungen sind dann sehr
gering. Bei der so genannten Stromentlastungsschaltung wird das
Ausgangssignal ausschließlich von den Treibertransistoren Q 1, Q 2
generiert. Die restlichen Transistoren kommen erst zum Einsatz, wenn der
Lautsprecher Strom fordert. Die Ausgangsstufe kann bei richtiger
Dimensionierung wegen der niedrigen Verzerrungen und der hohen
Strombelastbarkeit (geringer dynamischer Innenwiderstand) ohne
Gegenkopplung betrieben werden. In der erstgenannten Betriebsart sind
die Stromquellentransistoren Q 3...Q 32 im Ruhezustand gesperrt und
können so keine thermischen Probleme machen. Die Verzerrungen sind durch
das Zuschalten von Q 3...Q 32 höher. Für einen Verstärker ohne
Gegenkopplung sollte die zweite Variante mit Ruhestrom durch die
Stromentlastungstransistoren gewählt werden. Die Temperaturkompensation
der vielen Stromentlastungstransistoren ist aber mechanisch etwas
komplizierter.Der „Ochse“

|
| Bild 3: Prinzipschaltung aller Ochsen |
Anfang
der 90er brachte Nelson Pass eine bemerkenswerte Class-A-Endstufe auf
den Markt, von der bis heute viele verschiedene Versionen gebaut wurden
Nelson Pass bemerkte, dass eine Endstufe um so besser klingt, je
einfacher sie gebaut ist. Wenn man dazu auch noch MOSFETs in
Class-A-Schaltung verwendet, ist die Sache perfekt. Die einfachste und
raffinierteste Endstufe möchten wir Ihnen hier vorstellen (Abbildung 3).
Das kommt uns doch irgendwie bekannt vor? Genau, es ist ein
Differenzverstärker mit MOSFETs und eine Spannungsverstärkerstufe mit
Stromquelle. Und wenn wir durch die Spannungsverstärkerstufe einen
großen Ruhestrom schicken, wird das Gerät nicht nur schön warm, sondern
ist auch in der Lage, einen Lautsprecher zu treiben. Und wenn wir die
richtige Stromquelle verwenden, kann das Gerät auch richtig Strom
liefern – und zwar aus beiden Potentialen!Die Gesamtschaltung des ALEPH 30

|
| Bild 4: Die Gesamtschaltung des ALEPH 30 |
Die
Schaltung mit der patentierten ALEPH-Stromquelle (Abbildung 4) ist in
der Lage, über den Class-A-Betrieb hinaus hohe Ströme zu liefern und den
Lautsprecher gut zu bedämpfen. Die Schaltung arbeitet aber trotzdem im
Single-ended-Class-ABetrieb, eigentlich einem sehr ineffizienten
Betrieb, hier aber mit der Wirkungsgradtendenz zu einer
Class-A-Gegentaktendstufe. Wie funktioniert’s? Q 1 und Q 2 bilden
zusammen mit der Stromquelle Q 3 den Differenzverstärker, der hier mit
einem symmetrischen Eingangssignal gespeist wird. Z 1...Z 4 sind
Schutzelemente gegen zu hohe Gate- Source-Spannungen. Q 4 bildet
zusammen mit Q 9...Q 11 das Stellglied des Span nungsverstärkers und
gleichzeitig der Ausgangsstufe. Q 5 bildet zusammen mit Q 6...Q 8 die
Stromquelle, die gleichzeitig auch als Stellglied fungiert und zusammen
mit dem Stellglied Q 4 + Q 9...Q 11 als eine Art Symbiose aus
Single-ended-Class-ASchaltung und quasikomplementärer Ausgangsstufe
arbeitet. R 22 ... R 27 begrenzen die minimale Lastimpedanz am Ausgang
und erhöhen die Stabilität des Verstärkers. Klanglich zeigen sich die
Ochsen präzise, röhrenähnlich warm und sehr luftig.Eine Brücke

|
| Bild 5: Rekonstruktion einer Pass-X100-Endstufe als PSpice-Simulation |
Die
Schaltung in Abbildung 5 zeigt einen modernen Pass-MOSFET-Verstärker in
Brückenschaltung mit einem Differenzverstärker mit gefalteter Kaskode.
Was ist denn das schon wieder? Nun bei einer Kaskode wird der Kollektor
des verstärkenden Transistors spannungsmäßig „beruhigt“, d. h. mit einem
in Basisschaltung arbeitenden Transistor auf ein
Gleichspannungspotential gelegt. Der verstärkte Spannungshub wird am
Kollektor des in Basisschaltung arbeitenden Transistors abgegriffen. Bei
der klassischen „Teleskop-Kaskodenschaltung“ geschieht das in Serie zur
Betriebsspannung wie in Abbildung 1 (Q 3, Q 4, Q 7). Die gefaltete
Kaskode legt ebenfalls den Kollektor des verstärkenden Transistors (s.
Abbildung 5) Q 1, Q 20 auf ein Gleichspannungspotential, leitet aber
einen Teil des Stromes der positiven Stromquelle Is 1, Is 4 nach Minus
auf eine 2. Stromquelle Is 3 und Is 6 ab und bildet so je eine
Spannungsverstärkerstufe. Der Vorteil dieser Schaltung ist ein einziger
Pol, d. h. diese eigentlich zweistufige Schaltung verhält sich wie eine
einzelne Verstärkerstufe, besitzt eine hohe Verstärkung und ist
gegengekoppelt sehr stabil. Problematisch ist die exakte Stromverteilung
durch die Stromquellen. Diese Schaltung ist nicht einfach zu bauen!
Diese Differenzverstärkerstufe ist für Audioverstärker patentrechtlich
geschützt! Als Ausgangsstufe dienen parallel geschaltete, ausgemessene
MOSFETs. Diese Schaltung wird mit einem hohen Ruhestrom betrieben, zum
einen, damit ein großer Bereich der Musiksignale in Class-A-Bereich
verarbeitet werden kann (Klang), und zum anderen, weil die MOSFETs bei
einem höheren Ruhestrom nur wenig Tempera turgang haben. Wie wir sehen
können, wurde hier auf die „Über-alles-Gegenkopplung“ verzichtet. Die
Gegenkopplung über R 38 und R 40 dient nur zur Verstärkungseinstellung
der Vorstufe. Endstufen dieser Bauart klirren im unteren
Leistungsbereich recht wenig (unter 0,1 %). Im oberen Leistungsbereich
steigt der Klirrfaktor gleichmäßig auf Werte bis 5 %. Das stört aber
nicht, da die Endstufen dieser Bauart hohe Spitzenleistungen abgeben
können und in diesem Leistungsbereich sowieso nur Spitzen verarbeitet
werden. Klanglich gehören diese Endstufen zum Besten, was der Markt
bietet, und verwöhnen mit einem warmen und sehr sauberen Klangbild.Die QUAD-Endstufe

|
| Bild 6: Die Gesamtschaltung der QUAD 306 |
Eine
hochinteressante, in den 80ern entwickelte Schaltung (Abbildung 6) hat
die legendäre Firma QUAD unter dem Aspekt der Verwendung von
handelsüblichen Komponenten und maximaler Klangqualität und Stabilität
entwickelt. Die von QUAD bereits in der 405 verwendete, patentierte
„Current- Dumping-Technik“ beruht auf dem Zusammenspiel eines
leistungsschwachen, klirrarmen Class-A-Verstärkers mit einem
leistungsstarken, klirrenden Class-B-Verstärker. Zusammen mit einer
komplizierten, sehr niederohmigen und straffen Gegenkopplung ergibt sich
ein hochmusikalischer und extrem stabiler Verstärker, der sich durch
keine noch so kritische Belastung aus der Ruhe bringen lässt. Alle
Transistorstufen arbeiten im Eintaktbetrieb und müssen deshalb nicht
selektiert werden. Toleranzen werden durch Stromquellensteuerung und
durch einen Gleichspannungsservo ausgeregelt. Ein Abgleich der Schaltung
ist nicht notwendig! Wie funktioniert’s? T1 ist Eingangsbuffer und
Stellglied für den Gleichspannungsservo IC 1. Zusammen mit der
Stromregeldiode CR 2 wird der Arbeitspunkt der ersten Verstärkerstufe
eingestellt. Die erste Verstärkerstufe T 2, T 3 arbeitet als
Eintaktkaskode mit einer Stromquelle als Last CR 1. Durch die
Stromquelle hat diese Stufe eine sehr hohe Verstärkung (hoher
dynamischer Innenwiderstand der Stromquelle). T 5...T 7 bilden den
Class-A-Verstärker mit einem Ruhestrom von 50 mA. C 7 bildet mit R 17
und R 18 die Bootstrap-Stromquelle. Über die Stromfühlwiderstände R 24
und R 25 wird das Class-A-Signal auf den Lautsprecher gekoppelt. Der
Spannungsfall an R 24 und R 25 löst das Leiten der Leistungstransistoren
T 9 und T 10 aus, die über die Dioden D 5...D 7 so vorgespannt werden,
dass sie im Ruhezustand noch nicht leiten. Die Ansteuerung der
Leistungstransistoren muss deshalb nicht temperaturkompensiert werden. T
4 begrenzt zusammen mit R 23 den Strom der positiven Halbwelle, D 8 mit
R 19 den Strom der negativen. Das Massepotential wird mit T 11 und T 12
in der Mitte der Sieb-Koppel- Elkos gehalten. Interessant ist hier
wieder das Fehlen des Mittelabgriffs am Netztransformator. Die Elkos
dienen hier wie bei der Beschallungsendstufe von QSC als Sieb- und als
Koppel-Elkos und bieten automatisch einen Lautsprecherschutz gegen
Gleichspannung. Hochwertige High Current Low-ESR-Elkos sind hier
zwingend notwendig, sonst leidet die Audio qualität. Diese
Endstufentechnik ist ähnlich stabil wie die Threshold-Endstufe und auch
eine Art Stromentlastungsschaltung. Allerdings ist bei der QUAD-Endstufe
eine straffe Gegenkopplung notwendig, weil das Zuschalten der
Leistungstransistoren Verzerrungen erzeugt. Klanglich zeigt sich die
QUAD kraftvoll, präzise und „englisch warm“. Wir könnten jetzt ewig so
weitermachen und eine Schaltung nach der anderen vorstellen. Es gibt
noch hochinteressante Schaltungen von Marantz, Bryston, Rowland usw.
Leider sprengt das wieder den Rahmen unserer Möglichkeiten. Es soll aber
hier nicht das Ende unserer Serie sein. Im nächsten Artikel möchten wir
uns die Halbleiter in der Audioverstärkertechnik ansehen. Also –
dranbleiben! Es lohnt sich!Quellen:
- http://www.PassLabs.com
- http://www.PassDIY.com
- QUAD
- Dr. M. J. Hawksford, Distortion Correction in Audio Power Amplifiers J. Audio Eng. Soc. Vol. 29, No 1/2 and 7/8
-
Dr. M. J. Hawksford, Reduktion of Transistor Slope Impedance Dependent
Distortion in Large-Signal Amplifiers, J. Audio Eng. Soc. Vol. 36, No 4
Fachbeitrag online und als PDF-Download herunterladen
Inhalt
Sie erhalten den Artikel in 2 Versionen:
als Online-Version
als PDF (4 Seiten)
Sie erhalten folgende Artikel:
- Verstärkertechnik in der Audiowelt Teil 3/5: Leckerbissen der modernen Schaltungstechnik von Audio-Endstufen
| weitere Fachbeiträge | Foren | |
Hinterlassen Sie einen Kommentar: