ALC 5000 Mobile – Akku-Lade-Center Teil 4/6
Aus ELVjournal
01/2007
0 Kommentare
Nachdem
wir im „EL Vjournal“ 6/2006 bereits einen wesentlichen Teil der
Schaltung vorgestellt haben, wird nun die detaillierte
Schaltungsbeschreibung fortgesetzt.Analog-Digital-Wandler
Der
A/D-Wandler des ALC 5000 Mobile hat die Aufgabe, alle analogen
Messwerte innerhalb des Gerätes in digitale Daten für den
Mikrocontroller umzusetzen. Da innerhalb des ALCs eine ganze Reihe von
analogen Messwerten zu verarbeiten sind, ist eine Messwertabfrage im
Multiplexverfahren erforderlich. Der Schaltungsbereich des A/D-Wandlers
ist in Abbildung 37 dargestellt. Hier handelt es sich um einen sehr
genauen Dual-Slope-Wandler mit 14 Bit Genauigkeit und vorgeschaltetem
Analog-Multiplexer. Die Grundelemente dieses trotz kostengünstigen
Aufbaus sehr ge nauen Wandlers sind der als invertierender Integrator
geschaltete Operationsverstärker IC 8 C und der Komparator IC 8 D. Das
Grund prinzip dieses Wandlers basiert darauf, dass die Referenzspannung
und die Mess -Spannung entgegengesetzte Vorzeichen haben. Die über R 55
mit Spannung versorgte Referenzdiode D 4 liefert eine Referenzspannung
von -2,5 V, die eine geringe Drift aufweist. Sowohl die Referenzspannung
als auch alle zu erfassenden Messwerte gelangen auf die
Eingangs-Multiplexer IC 6 und IC 7, die wiederum vom Haupt-
Mikrocontroller über die Signale A 0 bis A 2 und EN-1, EN-2 gesteuert
werden. An den Multiplexer-Eingängen von IC 6 liegen direkt die analogen
Informationen der Akku-Ri-Messung, der drei Temperatursensoren und der
Referenzspannung an, während über IC 7 alle Strom- und
Spannungsmesswerte erfasst werden. Von den Ausgängen der beiden
Multiplexer gelangen alle analogen Spannungswerte über R 39 auf den
Pufferverstärker IC 8 A, an dessen Ausgang die Analogwerte dann
niederohmig zur Verfügung stehen.
|
| Bild 37: A/D-Wandler mit Eingangs-Multiplexer des ALC 5000 Mobile |
Die
Schalterstellung des Multiplexers IC 9 A ist davon abhängig, ob
positive oder negative Messwerte zu verarbeiten sind. Negative
Mess-Spannungen werden mit Hilfe des invertierenden Verstärkers IC 8 B
invertiert. Mit IC 8 C und externer Beschaltung ist ein Integrator
aufgebaut, dessen Integrationskondensator C 26 im Ruhezustand über den
CMOS-Schalter IC 9 B kurzgeschlossen ist. Sobald IC 9 B umschaltet,
liegt am Integrationswiderstand R 40 der zu erfassende Messwert an. Die
Spannung an IC 8 C, Pin 8, wandert in negativer Richtung, wobei die
Steigungsgeschwindigkeit von der Amplitude des Messwertes abhängig ist.
Danach wird die Referenzspannung an R 40 angelegt und der
nachgeschaltete Komparator IC 8 D umgeschaltet, wenn die
Ausgangsspannung des Integrators wieder im Ruhezustand ist. Die
benötigte Zeit bis zum Umschalten ist direkt proportional zur Amplitude
des Messwertes, der zum Abintegrieren des Wandlers führte. Der Kollektor
des nachgeschalteten Transistors T 4 ist mit dem entsprechenden Port
des Mikrocontrollers verbunden. Damit der Offset des OPs keinen Einfluss
auf die Messung hat, ist der positive Eingang von IC 8 C über den
Spannungsteiler R 47, R 53 leicht negativ vorgespannt. Lade-/Entlade-Endstufe 1

|
| Bild 38: Schaltung der Lade-/Entlade-Endstufe für Kanal 1 |
Da
die Energie der Speisequelle nicht unnötig in Abwärme umgesetzt werden
soll, ist die Entlade-Endstufe 1 in Abbildung 38 mit einem Schaltregler
mit hohem Wirkungsgrad realisiert. Zentrales Bauteil ist dabei der LTC
3780 von Linear Technology. Im LTC 3780 sind sämtliche Stufen, die zum
Aufbau eines hocheffizienten „Buck- Boost-Converters“
(Step-up/Step-down- Wandler) erforderlich sind, integriert. Der Wandler
ermöglicht einen nahtlosen Übergang zwischen allen Betriebsarten, egal
ob von Step-up nach Step-down oder umgekehrt gewechselt werden muss. Für
einen hohen Wirkungsgrad von bis zu 97 % sorgt ein Synchronbetrieb mit 4
Hochleistungs-Schalttransistoren (FETs), wie das Funktionsprinzip in
Abbildung 39 zeigt. 
|
| Bild 39: Grundsätzliches Funktionsprinzip des Universal-Schaltreglers |
Der
Wandler arbeitet in unserer Schaltung mit einer in der Phase rastbaren
Schaltfrequenz von ca. 200 kHz. In Abbildung 39 ist die Funktionsweise
vereinfacht dargestellt und Abbildung 40 zeigt den internen Aufbau. 
|
| Bild 40: Blockschaltbild mit den im LTC 3780 integrierten Stufen |
Wenn
die Eingangsspannung höher ist als die eingestellte Ausgangsspannung,
arbeitet der Baustein im „Buck-Mode“ (Stepdown- Wandler). In dieser
Betriebsart ist der FET T 1 ständig durchgesteuert und FET T 4 befindet
sich ständig im Sperrzustand. Die FETs T 2 und T 3 werden dann
alternierend im Takt der Schaltfrequenz durchgesteuert. In der ersten
Phase fließt der Strom über den FET T 2, die Speicherdrossel L 1 und den
FET T 1 zum Ausgang bzw. in den Pufferelko Cout. In der zweiten Phase
ist FET T 2 gesperrt und FET T 3 durchgesteuert. Durch die in der
Speicherdrossel gespeicherte Energie bleibt der Stromfluss nun
aufrechterhalten. Das Tastverhältnis, mit dem die beiden FETs (T 2, T 3)
durchgesteuert werden, bestimmt die Ausgangsspannung. Über den
Spannungsteiler R 1, R 2 misst der LTC 3780 die Ausgangsspannung, womit
der Regelkreis geschlossen ist. Wenn die Eingangsspannung geringer ist
als die Ausgangsspannung, arbeitet der LTC 3780 im „Boost-Mode“
(Step-up- Wandler). In dieser Betriebsart ist FET T 2 ständig
durchgesteuert und FET T 3 befindet sich dauerhaft im Sperrzustand. Die
FETs T 4 und T 1 werden nun alternierend im Takt der Schaltfrequenz
gesteuert. Auch hierbei bestimmt wiederum das Tastverhältnis die
Ausgangsspannung. Wenn sich die Eingangsspannung in der Nähe der
Ausgangsspannung befindet, sind die FETs T 2 und T 1 nahezu ständig
durchgesteuert. Die FETs T 3 und T 4 werden nur noch kurz zum Regulieren
der Ausgangsspannung in den leitenden Zustand versetzt. Im
so genannten Buck-Boost-Mode sind die Spitzenströme in der Induktivität
deutlich geringer als bei konventionellen Buck-Boost-DC/DC-Wandlern.
Die Synchron- Gleichrichtung mit 4 Schaltern und der geringe Stromripple
in der Induktivität sorgen für einen hohen Wirkungsgrad. Der Stromshunt
(RSense) in der gemeinsamen Source-Leitung von FET T 3 und FET T 4
dient zur Stromerfassung. Dadurch ist in sämtlichen Betriebsmodi ein
Schutz gegenüber zu hohen Spannungen, zu hohen Strömen und Kurzschluss
vorhanden. Bei Standard-Boost-Konvertern (Step-up- Wandler) ist die
Realisierung eines Kurzschluss- Schutzes äußerst schwierig. Beim LTC
3780 hingegen wird der Wandler zuerst zwangsweise in den Buck-Mode
geschaltet und dann der Strom durch die Induktivität begrenzt. Doch nun
zur Schaltung in Abbildung 38, wo die Eingangsspannung zuerst mit C 103,
C 104 gepuffert wird und direkt auf den Schalttransistor T 101 gelangt.
Der LTC 3780 wird über R 104 mit Spannung versorgt, und an Pin 19 steht
eine intern erzeugte stabilisierte Gleichspannung von 6 V zur
Verfügung. Die Schalttransistoren werden vom LTC 3780 über die Pins 13
bis 16, 18 und 22 bis 24 gesteuert, und der Kondensator C 118 an Pin 2
sorgt für einen „Softstart“ beim Anlegen der Betriebsspannung. Die
Sollwert-Vorgabe des Ladestromes erfolgt mit einem PWM-Signal an R 106,
wobei C 125 für eine Integration sorgt und wir somit an Pin 5 von IC 101
B eine proportionale Gleichspannung erhalten. IC 101 B dient dabei zur
Pufferung der PWM-proportionalen Gleichspannung. Die Istwert-Erfassung
des Ladestroms erfolgt mit IC 103 am Stromshunt R 100. Am Ausgang von IC
103 steht eine zum Ladestrom proportionale Gleichspannung zur
Verfügung, die über R 125, IC 102 A auf Pin 10 des Integrators IC 101 C
gegeben wird. IC 101 C übernimmt den Sollwert- Istwert-Vergleich und
steuert über R 111 den LTC 3780 an Pin 6. In
der Funktion „Motortester“ arbeitet die Schaltung als Spannungsregler.
In diesem Fall wird der Ist-Wert der Spannung über den Spannungsteiler R
115, R 126 und IC 102 auf Pin 10 von IC 101 C gegeben. Bei der
Strom-Spannungsregler-Umschaltung arbeitet T 108 als Pegelwandler. Zur
Begrenzung des Maximalstroms wird der Spannungsabfall an den Shunt-
Widerständen R 122, R 123 ermittelt und Pin 3, Pin 4 des LTC 3780
zugeführt. Das komplette Ein- und Ausschalten der Lade-Endstufe wird vom
Mikrocontroller an Pin 12 des LTC 3780 gesteuert. Der interne
Taktoszillator des Bausteins kann an Pin 11 extern synchronisiert
werden, und an Pin 10 wird die interne PLLSchaltung mit einem
Tiefpassfilter (R 119, C 131, C 132) beschaltet. Ausgangsseitig wird die
Spannung mit C 110, C 111 gepuffert, wobei die weiteren parallel
geschalteten Kondensatoren zur hochfrequenten Störunterdrückung dienen.
Über die Verpolungsschutzdiode D 106 und die Sicherung SI 1 gelangt die
Ladespannung letztendlich zu den Ausgangsbuchsen des Ladekanals 1. Die
Ausgangsspannung dieses Ladekanals wird über den Spannungsteiler R 101, R
105 vom Mikrocontroller erfasst. Im
Entladezweig erfolgt die Sollwert- Vorgabe mit einem PWM-Signal an R
135, wobei die RC-Kombination R 135, R 139, C 136 zur Mittelwertbildung
dient. Gleichzeitig wird dabei die Spannung heruntergeteilt und auf den
nicht-invertierenden Eingang des mit IC 101 D aufgebauten Stromreglers
gegeben. Die Freigabe des Entlade-Stromreglers erfolgt mit einem
„High“-Signal an der Katode der Diode D 105 (von der
Mikrocontrollereinheit gesteuert). Bei einem „Low“-Signal hingegen
bleibt der Transis tor T 105 über die Diode D 105 gesperrt. Während des
Entlade-Vorgangs erhalten wir am Shunt-Widerstand R 141, R 142 einen dem
Entladestrom proportionalen Spannungs abfall. Da es sich je nach
Entladestrom um einen recht geringen Spannungsabfall handeln kann,
erfolgt zunächst eine Verstärkung mit IC 101 A. Vom Ausgang des
Verstärkers gelangt die Spannung dann über R 137 auf den invertierenden
Eingang des Stromreglers IC 101 D. Der Regler vergleicht nun die
Mess-Spannung mit der Sollwert-Vorgabe an Pin 12. Der OP-Ausgang steuert
über R 134 den Emitterfolger T 105 und dieser wiederum den
Entlade-Transistor T 106, so dass der Regelkreis wieder geschlossen ist.
Zur Entladestrom-Erfassung wird die stromproportionale Spannung am
Ausgang von IC 101 A (Pin 1) der Mikrocontrollereinheit zugeführt. Lade-/Entlade-Endstufe 2

|
| Bild 41: Schaltung der Lade-/Entlade-Endstufe für Kanal 2 |
Die
Lade-/Entlade-Endstufe 2 in Abbildung 41 ist mit einem Linearregler
realisiert. Betrachten wir zuerst den Ladezweig im oberen Bereich des
Schaltbildes. Von der Mikrocontrollereinheit gesteuert, erfolgt das Ein-
und Ausschalten des Ladezweiges mit Hilfe des Transistors T 202. Der
Laderegler ist mit IC 200 B und externen Komponenten realisiert, wobei
es sich um einen Stromregler handelt. Zur Messung des Lade- und
Entladestroms dient der Shunt-Widerstand R 208, dessen Spannungsabfall
über R 204 auf den nicht-invertierenden Eingang des
Operationsverstärkers IC 200 A gegeben wird. Die Verstärkung ist
abhängig vom Widerstand R 209 im Rückkopplungszweig und vom Widerstand R
212. Die am Ausgang zur Verfügung stehende stromproportionale Spannung
zur Steu erung des Ladereglers wird gleichzeitig zur Messung der
Prozessoreinheit zugeführt. Im Entladebetrieb erhalten wir einen
Spannungsabfall mit entgegengesetztem Vorzeichen. Der
mit IC 200 B aufgebaute Linearregler vergleicht die Sollwert-Vorgabe an
Pin 5 mit dem Ist-Wert des Ladestroms, der von IC 200 A, Pin 1
geliefert wird. Der Reglerausgang steuert über den Treiber transistor T
201 direkt den PNPEndstufentransistor T 200. Über die zum Entladeschutz
bei ausgeschaltetem Gerät eingesetzte Diode D 200 und die
Schmelzsicherung SI 2 gelangt die Ladespannung zum Ausgang ST 5. D 202
dient bei verpolt angeschlossenem Akku zum Schutz des Ladegerätes und
des Akkus, indem die Schmelzsicherung SI 2 dann gezielt anspricht. Zur
Messung wird die Akku-Spannung mit R 200, R 202 heruntergeteilt und auf
den Eingangs-Multiplexer des Dual-Slope- A/D-Wandlers in Abbildung 37
geführt. Die Sollwert-Vorgabe des Ladestroms erfolgt mit Hilfe eines
PWM-Signals von der Mikrocontrollereinheit. Dieses Signal wird mit IC
200 C (im Schaltbild unten links) gepuffert und anschließend mit Hilfe
eines nachgeschalteten Integra tions gliedes der
Gleichspannungsmittelwert gewon nen. R 218 und R 221 dienen dabei
gleichzeitig als Spannungsteiler. Vom
Mikrocontroller gesteuert, erfolgt das Ein- und Ausschalten des
Entladekanals über die Diode D 203. Die Entlade-Endstufe ist im unteren
Bereich des Schaltbildes zu finden. Auch hierbei handelt es sich um
einen linearen Regler, der über dasselbe PWM-Signal gesteuert wird wie
der Ladezweig vom Mikrocontroller. Mit Hilfe des RC-Gliedes R 216, R
220, C 209 erfolgt dann die Mittelwertbildung, wobei der Spannungsteiler
R 216, R 220 die Steuergleichspannung weiter herunterteilt. Die
Sollwert-Vorgabe erfolgt somit an Pin 12 von IC 200 D. Die zum
Entladestrom proportionale Mess-Spannung am Shunt-Widerstand R 223
repräsentiert den Ist-Wert, der über R 219 auf den invertierenden
Eingang von IC 200 D gegeben wird. Der Regler führt dann einen
Istwert-Sollwert-Vergleich durch und steuert über den Transistor T 203
den Entladetransistor T 204, sofern die ge samte Stufe über
„High“-Signale an den Katoden von D 203 und D 204 freigegeben ist. Alle
weiteren Kondensatoren im Bereich der Lade-/Entlade-Endstufe dienen zur
Verhinderung von hochfrequenten Störeinflüssen und zur
Schwingneigungsunterdrückung. Akku-Ri-Messfunktion

|
| Bild 42: Schaltung zur Messung des Akku-Innenwiderstandes beim ALC 5000 Mobile |
Eine
wichtige Funktion des ALC 5000 Mobile ist die Möglichkeit, den
Akku-Innenwiderstand zu messen. Abbildung 42 zeigt das dafür zuständige
Schaltungsteil. Bei Hochstromanwendungen ist die Spannungslage unter
Lastbedingungen ein wichtiges Kriterium für die Qualitätsbeurteilung
eines Akkus oder Akku-Packs. Das Grundprinzip der
Innenwiderstandsbestimmung ist einfach. Bei definiertem Entladestrom
wird der Spannungsabfall gegenüber dem unbelasteten Zustand ermittelt.
Die dabei gemessene Spannungsdifferenz dividiert durch den
Belastungsstrom ergibt den Akku-Innenwiderstand. Aufgrund der
üblicherweise geringen Innenwiderstände von Akkus sind hohe Ströme
erforderlich, um auswertbare Spannungsdifferenzen zu erhalten. Dabei
sind aussagekräftige Ergebnisse nur dann möglich, wenn die
Spannungserfassung direkt am Akku erfolgt. Spannungsabfälle auf den
Messleitungen würden sonst das Mess-Ergebnis stark verfälschen. Die
Belastung des Akkus erfolgt nur mit kurzen Strom impulsen, da im anderen
Fall eine zu hohe Verlustleistung zu verkraften wäre. Zur
Kontaktierung am Akku bzw. an den Messpunkten dienen
Spezial-Messleitungen, die jeweils über zwei federnd gelagerte
Mess-Spitzen verfügen. Die Mess - leitungen werden an BU 3
angeschlossen. Vier-Leiter-Messkabel erlauben dabei die
Spannungserfassung direkt am Prüfling. Da der Mess-Strom über getrennte
Leitungen geführt wird, kommt es nicht zur Beeinträchtigung der
Spannungsmessung während des Lastimpulses. Die Spannungserfassung
erfolgt letztendlich mithilfe des Differenzverstärkers IC 3 C, an dessen
Ausgang im belasteten und im unbelas teten Zustand die proportionale
Akku-Spannung ansteht. Während des Entladeimpulses wird der zu prüfende
Akku mit der Reihenschaltung, bestehend aus R 29, R 30 und der Drain-
Source-Strecke des Transistors T 3, belastet. Die parallel geschalteten
Shunt-Widerstände dienen dabei zur Strommessung, wobei der
stromproportionale Spannungsabfall über R 27, R 32 abgegriffen wird. Am
Ausgang des Operationsverstärkers IC 4 A steht die Strominformation
verstärkt zur Verfügung. Zur Stromregelung dient IC 4 B mit ex - terner
Beschaltung. Mit Hilfe eines von der Mikrocontrollereinheit kommenden
PWM-Signals erfolgt die Vorgabe des Soll- Wertes, wobei IC 3 D zur
Pufferung dient. Der nachgeschaltete Tiefpass, bestehend aus R 37 und C
25, dient zur Integration des PWM-Signals, so dass wir an C 25 eine
Gleichspannung zur Sollwert-Vorgabe erhalten. Über
den mit R 36, R 38 aufgebauten Spannungsteiler gelangt der Soll-Wert
auf den nicht-invertierenden Eingang von IC 4 B (Pin 5). Der Ist-Wert
des Stromes kommt über R 35 direkt vom Shunt (R 29, R 30) und wird auf
den invertierenden Eingang von IC 4 B gegeben. Während des RIMImpulses
an Pin 10 von IC 5 A wird der Ausgang des Stromreglers (IC 4 B, Pin 7)
über R 34 mit dem Gate von T 3 verbunden. Abhängig von der
Ausgangsspannung wird der Drain-Source-Widerstand des Leis tungs-FETs
gesteuert. Da für die Messwerte von Strom und Spannung nur 100 ms zur
Verfügung stehen, die A/D-Wandlung aber mehr Zeit in Anspruch nimmt,
sind sowohl bei der Spannungs- als auch bei der Strommessung
„Sample-and-Hold“-Glieder nach geschaltet. Das „Sample-and-Hold“-Glied
für die Spannungsmessung ist mit IC 5 C, R 26, C 17 und dem
Pufferverstärker IC 3 B aufgebaut, während das für die Strommessung
zuständige Glied über IC 5 B, R 31, C 20 und IC 3 A realisiert wurde.
Die Kondensatoren C 14, C 16, C 18, C 21 und C 24 dienen zur
Störabblockung an den Versorgungspins der einzelnen integrierten
Schaltkreise. Blei-Akku-Aktivatorfunktion

|
| Bild 43: Blei-Akku-Aktivatorfunktion des ALC 5000 Mobile |
Zur
Verhinderung von kristallinen Sultfat-Ablagerungen an den Platten von
Blei-Akkus ist das ALC 5000 Mobile mit einer Blei-Akku-Aktivatorfunktion
ausgestattet. Mit der in Abbildung 43 dargestellten Schaltung werden
periodische Spitzenstrom-Entladeimpulse bis zu 80 A erzeugt, die
Ablagerungen an den Bleiplatten verhindern. Da die Impulsdauer des alle
30 Sek. auftretenden Entladeimpulses nur 100 μs beträgt, wird dem Akku
trotz des hohen Stromes nur wenig Energie entzogen. Die Reihenschaltung,
bestehend aus D 5, R 59 und der Drain-Source-Strecke des Transistors T
8, ist direkt mit den Klemmen des angeschlossenen Akkus verbunden.
Gesteuert wird die Funktion vom zentralen Mikrocontroller, der bei
aktivierter Funktion alle 30 Sek. einen 100-μs-Impuls über R 65 auf die
Basis des Transistors T 7 gibt. Der Basis-Spannungsteiler des
Transistors T 5 ist wiederum mit dem Kollektor von T 7 verbunden, so
dass bei durchgesteuertem Transistor T 7 auch T 5 durchgesteuert wird.
Während der 100-μs-Impulsdauer liegt am Kollektor von T 5 und somit auch
am Gate von T 8 nahezu die volle Betriebsspannung an. Dadurch wird die
Drain-Source-Strecke des Transistors T 8 extrem niederohmig, so dass für
die Dauer von 100 μs die Reihenschaltung, bestehend aus D 5, R 59 und
der Drain-Source-Strecke von T 8, den Akku belas tet. T 8 kann
Impulsbelastungen bis zu 240 A und D 1 bis zu 200 A verkraften. Die
Anzeige-LED wird über den Transistor T 6 und den Widerstand R 64 mit
Spannung versorgt und dient gleichzeitig zur Funktionskontrolle. Da aber
zur Anzeige ein 100 μs langer Impuls zu kurz ist, wird bei Aktivierung
des Impulses der Elko C 37 nahezu schlagartig über R 62, D 6 und die
Drain-Source-Strecke des Transistors entladen. Nach Abschalten des
Impulses erfolgt hingegen das Aufladen von C 37 recht langsam über R 60,
so dass T 6 wesentlich länger durchgeschaltet bleibt. Die Leuchtdauer
der Kontroll-LED wird im Wesentlichen von der mit R 60, C 37
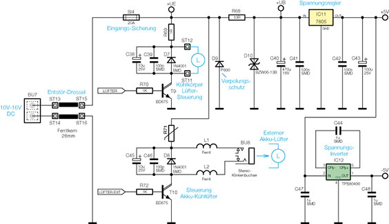
realisierten Zeitkonstante bestimmt. Spannungsversorgung und Lüftersteuerung

|
| Bild 44: Spannungsversorgung und Lüftersteuerung des ALC 5000 Mobile |
In
Abbildung 44 ist die Spannungsversorgung des ALC 5000 Mobile und die
Steuerung für den Lüfter des Kühlkörper- Lüfteraggregats und des
externen Akku- Kühllüfters zu sehen. Die von einer Kfz-Batterie oder
einem geeigneten Netzgerät kommende Spannung wird an BU 7 angelegt und
gelangt über eine an ST 13 bis ST 16 angeschlossene Ferritspule und die
Eingangssicherung SI 4 direkt zu den Lade-Endstufen des Gerätes. Die
Diode D 9 dient zum Verpolungsschutz und sorgt für das Ansprechen der
Sicherung SI 4, bevor es zur Beschädigung des ALC 5000 Mobile kommen
kann. Für eine Siebung der Versorgungsspannung sorgen der Widerstand R
68 und der Elko C 40. Am Ausgang des Spannungsreglers IC 11 steht dann
eine stabilisierte Spannung von 5 V zur Verfügung, wobei die
Kondensatoren C 41, C 42 und der Elko C 43 zur hochfrequenten Stör- und
Schwingneigungsunterdrückung dienen. Die im ALC 5000 Mobile
erforderliche negative Spannung von -5 V wird mit dem Spannungsinverter
IC 12 generiert. Dieser Baustein benötigt an externer Beschaltung nur 3
Kondensatoren C 44, C 47 und C 48. Der Lüfter des eingebauten
Kühlkörperaggregates wird mit einem PWM-Signal über den Transistor T 9
gesteuert. Im Kollektorkreis dieses Transistors befindet sich der Lüfter
(angeschlossen an ST 11 und ST 12), der über den Schutzwiderstand R 69
mit Spannung versorgt wird. Der Elko C 38 und der Keramikkondensator C
39 dienen zur Störunterdrückung und die Diode D 7 verhindert, dass am
Lüfter eine Gegeninduktionsspannung entsteht. Die weitestgehend
identisch aufgebaute Schaltung im unteren Bereich des Schaltbildes dient
zur Steuerung eines extern anzuschließenden Akku-Kühllüfters. Der
Transistor T 10 wird ebenfalls mit einem PWM-Signal vom Mikrocontroller
gesteuert und der externe Akku-Kühllüfter ist an die Buchse BU 8
anzuschließen. Im Kurzschlussfall (an BU 8) schützt der Polyswitch R 71
vor Beschädigungen.Fachbeitrag online und als PDF-Download herunterladen
Inhalt
Sie erhalten den Artikel in 2 Versionen:
als Online-Version
als PDF (7 Seiten)
Sie erhalten folgende Artikel:
- ALC 5000 Mobile – Akku-Lade-Center Teil 4/6
- 1 x Journalbericht
- 1 x Schaltplan
| weitere Fachbeiträge | Foren | |
Hinterlassen Sie einen Kommentar: