Pyro-Pointer PP 400 mit RGB-LED
Aus ELVjournal
05/2007
0 Kommentare
Technische Daten
| Spannungsversorgungsbereich | 1,6-4 V |
| Spannungsversorgung | 2 x Batterie Mignon (LR6/AA) |
| Stromaufnahme | max. 200 mA |
| Messbereich | -10 °C bis 300 °C |
| D:S-Verhältnis | 6:1 |
| Umgebungstemperatur | 0 °C bis 40 °C |
| Abmessungen Gehäuse (B x H x T) | 100 x 86 x 45 mm |
Mit
diesem in einem Handgehäuse untergebrachten Gerät können schnell und
präzise Temperaturunterschiede aufgespürt und akustisch/optisch
angezeigt werden. Die Messung erfolgt dabei berührungslos durch einen
Thermopile-Sensor. Zusätzlich zur akustischen Anzeige ist eine optische
Anzeige mit einer RGB-LED vorhanden. Temperaturänderungen werden somit
auch durch Farbänderung dargestellt.Grundlagen und Anwendungen
Die
berührungslose Temperaturmessung durch die Erfassung der Wärmestrahlung
eines Messobjekts ist heute allgegenwärtig – ob als
Infrarot-Fieberthermometer oder als einfach bis komfortabel
ausgestattetes Handmessgerät, das Messprinzip ist überall das Gleiche.
Diese Messgeräte ermöglichen die Temperaturmessung aus der (sicheren)
Entfernung, sie sind dabei je nach eingesetztem Sensor unterschiedlich
präzise in der Erfassung des Messpunktes (Spot). Diese Art der
Temperaturmessung vermeidet viele Nachteile der Messung per Fühler wie
Verfälschung durch die Wärmeableitung des Fühlers,Kontaktprobleme oder
das Problem, sich bewegende oder unter Spannung stehende Teile zu
messen. Und insbesondere in höheren Temperaturbereichen stoßen
preiswerte Temperaturfühler an ihre Grenzen, ab ca. 250 °C wird es hier
teuer. Hingegen vermag ein berührungsloses Thermometer weite
Temperaturbereiche zu messen. Die Handhabung eines solchen Thermometers
ist einfach – Messobjekt anpeilen und Messung auslösen. Wie funktioniert
das Ganze? Jeder Körper sendet eine natürliche Wärmestrahlung aus. Aus
dieser Strahlung lässt sich bei bekanntem Emissionsfaktor des
Messobjekts sehr genau auf dessen (Oberflächen-)Temperatur schließen. So
genannte Thermopile-Sensoren wandeln diese Wärmestrahlung in eine von
der Intensität der Wärmestrahlung abhängige elektrische Spannung um. Den
Erfassungsbereich des Sensors kann man sich als eine sich kegelförmig
aufweitende Fläche vor der Linse des Sensors vorstellen – ähnlich einem
Taschenlampenstrahl.
|
| Bild 1: Erfassungsbereich des Sensors |
Abbildung
1 zeigt diesen Bereich schematisch. Aus dieser Darstellung ist auch gut
zu erkennen, dass sich auch die erfasste Fläche mit größer werdendem
Abstand zum Sensor vergrößert. Ein Maß für diese Aufweitung ist der
„D:S”-Wert. Er gibt das Verhältnis des Abstands zum Messobjekt (D =
Distance) zum Messfleckdurchmesser (S = Spot) an. Bei einem Verhältnis
von z. B. 6:1 ergibt sich also bei 60 cm Abstand zum Messobjekt ein
Messfleck von 10 cm Durchmesser. Der hier vorgestellte Pyro-Pointer hat
genau dieses D:S-Verhältnis. Was unterscheidet nun einen Pyro-Pointer
von einem Infrarot- Thermometer? Vom Messprinzip her nichts. Nur die Art
der Anzeige ist bei einem Pyro-Pointer anders. Während ein Thermometer
die exakte Temperatur meist in einer Digitalanzeige darstellt, kommt es
bei einem Pyro-Pointer darauf an, Veränderungen zu einem zuvor erfassten
Referenzwert möglichst genau und schnell darzustellen. Das kann sowohl
mit akustischen als auch optischen Signalen erfolgen.Unser
neuer Pyro-Pointer realisiert beides. Er zeigt eine
Temperaturabweichung mit einem Signalton variabler Tonhöhe sowie mittels
der Farbveränderung einer RGB-Leuchtdiode an. Da hier die Wandlungszeit
für eine Digital-Anzeige vollkommen wegfällt, ist eine sehr schnelle
Lokalisierung möglich. Und die akustische Anzeigemethode erlaubt es
auch, sich ausschließlich auf das Messobjekt zu konzentrieren, da man
erwiesenermaßen per Gehör sehr feine Tonhöhenabstufungen registrieren
kann. Mit dieser Mess- und Anzeigemethode lassen sich, wie gesagt, sehr
schnell und genau die heißesten und kältesten Punkte auf einer
Oberfläche finden. Dabei kann die absolute Temperatur im Bereich von -10
°C bis +300 °C liegen. Ausschlaggebend für die Anzeige ist immer nur
die Temperaturdifferenz zwischen Referenz- und folgend gemessener
Temperatur. Damit eignet sich der Pyro-Pointer für alle Aufgaben, wo es
darauf ankommt, Temperaturabweichungen zu einer Referenztemperatur
feststellen zu können. Da bietet sich natürlich die Suche nach
Kältebrücken im Gebäude oder die nach wärmsten bzw. kältesten Punkten
bei elektronischen Geräten, Bauteilen, Gehäusen usw. an. Bedienung
Die
Bedienung ist kinderleicht, da das einzige Bedienelement ein Taster
ist. Zum Einschalten des Gerätes ist der Taster länger als 2 Sekunden
gedrückt zu halten. Das Aufleuchten der RGB-LED signalisiert dabei den
Einschaltzustand. Das Ausschalten erfolgt auf gleiche Weise (Taste
länger als 4 Sekunden betätigen). Um einen Temperaturunterschied
zwischen zwei Punkten ausmessen zu können, ist zunächst ein
Temperaturwert als Referenzwert zu setzen. Auf diese Referenztemperatur
beziehen sich dann die folgenden Vergleichsmessungen. Das Setzen (Set)
der Referenz erfolgt durch kurzen Tastendruck mit dem Taster, wobei die
aktuelle Temperatur im Erfassungsbereich gespeichert wird. Die RGB-LED
leuchtet jetzt grün. Anschließend kann dann das Messobjekt „abgescannt“
werden, um den wärmsten oder den kältesten Punkt zu ermitteln. Sobald
die gemessene Temperatur ansteigt, ertönt das akustische Signal, dessen
Frequenz mit zunehmender Temperatur ansteigt.
|
| Bild 2: Farbverlauf der RGB-LED |
Optisch
wird dies durch einen Farbwechsel von Grün ins „Rote“ angezeigt (siehe
Abbildung 2). Ist die gemessene Temperatur niedriger als der
Referenzwert, sinkt die Signalfrequenz, und die Farbe ändert sich ins
Blaue. Das Gerät verfügt über eine Batteriespannungsüberwachung
(Low-Bat), die ein Absinken der Batteriespannung signalisiert. Sinkt die
Spannung unterhalb von 2 V, blinkt die LED nach dem Einschalten dreimal
kurz auf. Dies ist ein Hinweis darauf, das die Batterien gewechselt
werden sollten. Bei einer Spannung unterhalb von 1,6 V schaltet das
Gerät selbsttätig aus. Außerdem gibt es eine „Auto-Power-off“-Funktion,
die das Gerät ebenfalls ausschaltet, wenn innerhalb von 3 Minuten keine
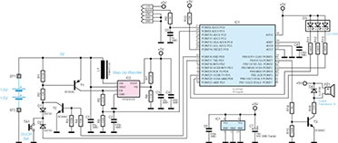
Messung stattgefunden bzw. der Messwert sich nicht verändert hat.Schaltung
Das
Schaltbild des Pyro-Pointers ist unterteilt in zwei Schaltbilder. In
Abbildung 3 ist der Thermopile-Sensor mit Vorverstärker und in Abbildung
4 ist die Auswerteschaltung dargestellt.
|
| Bild 3: Schaltbild der Sensorplatine |

|
| Bild 4: Schaltbild der Basisplatine |
Betrachten
wir zunächst die Vorverstärkerschaltung. Der Sensor TS 1 liefert
zwischen seinen Anschlusspins 1 und 3 eine Ausgangsspannung, die von der
Differenz zwischen der Eigentemperatur des Sensors und der von der
Linse auf die Sensorfläche geleiteten Wärmestrahlung abhängig ist. Die
Spannungen liegen im Bereich von einigen Mikrovolt pro Kelvin
Temperaturdifferenz. Der Sensor liefert positive Spannungen, wenn die
Wärmestrahlung größer ist als die Eigentemperatur, und negative
Spannungen, wenn das im Erfassungsbereich liegende Objekt kälter ist als
der Sensor selbst. Der Bezugspunkt (virtuelle Masse) für die
nachfolgende Verstärkerstufe wird mit dem Spannungsteiler R 4 und R 3
auf 0,9 V festgelegt. Der Verstärker besteht aus den identisch
aufgebauten OP-Stufen IC 1 und IC 2. Mit R 5 und R 2 sowie R 6 und R 7
wird der Verstärkungsfaktor festgelegt. Es findet hier eine
Gesamtverstärkung um den Faktor 15.525 (575 x 27) statt, so dass am
Anschluss „Signal” eine zur gemessenen Temperatur proportionale Spannung
anliegt. Die
Auswertung der Signalspannung findet mit dem in Abbildung 4
dargestellten Schaltungsteil statt. Diese Auswertung übernimmt ein
Mikrocontroller (IC 1) vom Typ ATmega48. Über den Tiefpass R 9 und C 5
gelangt die Signalspannung an den Anschluss „ADC0“ (Pin 23), der zum
internen Analog- Digital-Wandler gehört. Anhand der gemessenen Spannung
steuert der Controller entsprechend den Signalgeber PZ 1 und die RGB-LED
D 3 an. Da der Controller-Ausgang nicht in der Lage ist, einen
entsprechenden Signalgeber direkt anzusteuern, bildet der Transistor T 3
eine Treiberschaltung für den recht niederohmigen Signalgeber PZ 1. Zur
Spannungsversorgung der Schaltung dienen zwei Mignon- Batterien mit
einer Gesamtspannung von 3 V. Um die Funktionalität der Schaltung auch
bei niedriger Batteriespannung zu gewährleisten, kommt ein
leistungsfähiger Step-up- Wandler (IC 2) vom Typ TPS61070 zum Einsatz,
der die Batteriespannung auf eine Spannung von 5 V herauftransformiert.
Diese Ausgangsspannung bleibt selbst bis zu einer Batteriespannung von
1,3 V stabil, so dass die Kapazität der Batterien so weit wie möglich
ausgenutzt wird. L
1 stellt die typische Speicherspule für den Schaltregler dar. Da es
sich bei IC 2 um einen Synchronwandler handelt, ist die sonst übliche
externe Freilaufdiode hier nicht vorhanden. Mit dem Anschluss „Enable“
Pin 3 von IC 2 kann der Wandler aktiviert und somit die Schaltung ein-
bzw. auch wieder ausgeschaltet werden. Das Einschalten erfolgt, indem
man den Taster TA 1 länger als 2 Sekunden gedrückt hält. Der
Funktionsablauf ist wie folgt: Sobald der Taster TA 1 betä tigt wird,
fließt ein Strom in die Basis von T 1, woraufhin dieser durchschaltet
und den Anschluss „Enable“ auf High-Pegel (Batteriespannung) legt. Der
Step-up-Wandler ist jetzt eingeschaltet, und am Ausgang (VOUT) steht
eine Spannung von 5 V an. Nachdem der Prozessor (IC 1) einen Reset
durchgeführt hat, läuft softwaremäßig ein Timer. Nach 2 Sekunden gibt
der Controller an Pin 30 (PD 0) eine Spannung aus, wodurch Transistor T 2
leitend wird. T 2 ist jetzt praktisch der parallel liegende Ersatz für
den Taster TA 1, der jetzt nicht mehr gedrückt gehalten werden muss.
Solange der Controller die Spannung an Pin 30 aufrechterhält, bleibt die
Schaltung aktiv. Wird die Taste TA 1 erneut für einen Zeitraum von 4
Sekunden gedrückt, schaltet das Gerät aus. Das Betätigen des Tasters TA 1
registriert der Controller über Pin 31 (PD 1), weil über die Diode D 2
und TA 1 der Pegel auf „low“ wechselt. Eine automatische Abschaltung
erfolgt in folgenden Fällen: Die Batteriespannung sinkt unterhalb von
1,6 V (Low-Bat) oder die Mess-Spannung hat sich für einen gewissen
Zeitraum nicht mehr verändert (Auto-Power-off). Die zu messende
Batteriespannung wird dem Controller über den Spannungsteiler R 5 und R 6
zugeführt. Nachbau
Die
Bestückung der Platine erfolgt gemischt mit SMD- und bedrahteten
Bauteilen. Die SMD-Bauteile sind schon vorbestückt, so dass hier
lediglich eine abschließende Kontrolle der bestückten Platine auf
Bestückungsfehler, eventuelle Lötzinnbrücken, vergessene Lötstellen usw.
notwendig ist. Wir beginnen mit der Bestückung der Basisplatine. Hier
sind der Taster und der Signalgeber PZ 1 zu bestücken und zu verlöten.
Die Anschlussleitung des Batteriefaches wird auf eine Länge von 10 cm
gekürzt und die Kabelenden abisoliert und verzinnt.
|
| Bild 8: So wird die fertige Sensorplatine mit der montierten Linse auf die Basisplaine gesetzt |
Die
Kabel werden, wie in Bild 8 erkennbar, durch die Platine gefädelt. Das
rote Kabel (+) wird mit dem Anschlusspunkt ST 1 und das schwarze Kabel
(-) mit ST 2 verlötet. Auf der Sensorplatine ist lediglich der Sensor TS
1 zu bestücken. Hierzu muss das Thermopile-Element vorbereitet werden.
|
| Bild 6: Vorbereitung des Thermopile-Sensors |

|
| Bild 5: Einzelkomponenten des Linsensystems |
Die
einzelnen Komponenten sind in Abbildung 5 dargestellt. Die Anschlüsse
werden auf eine verbleibende Länge von 5 mm gekürzt. Anschließend ist an
zwei Seiten des Sensors jeweils ein wenig Wärmeleitpaste aufzutragen.
Abbildung 6 zeigt das fertig vorbereitete Thermopile-Element mit der
angebrachten Wärmeleitpaste. Bei allen Arbeiten an und mit dem
Thermopile-Element ist darauf zu achten, dass das Fenster im Sensor
weder berührt noch sonstwie verschmutzt wird.Anschließend
ist die Linse im Linsenträger zu befestigen. Dazu wird zunächst die
Linse so von vorn in den Linsenträger eingelegt, dass die glatte Seite
nach außen zeigt. Der danach einzusetzende Linsen-Haltering fixiert die
Linse im Träger. Auch hier sollte die Linse als optisches Bauteil sehr
vorsichtig behandelt und vor Verschmutzen geschützt werden. Damit die
Linse immer in exakt definierter Position vor dem Thermopile-Element
positioniert ist, werden Linsenträger und Thermopile-Sensor miteinander
verklebt. Das Thermopile-Element ist dazu in den Linsenträger
einzusetzen, fest in seinen Anschlag zu pressen und dort mit zwei
Tropfen Sekundenkleber, die von hinten auf die nicht mit Wärmeleitpaste
versehenen Verbindungsstellen gegeben werden, zu befestigen. 
|
| Bild 7: Ansicht der fertig montierten Linse |
In
Abbildung 7 ist die komplette, fertig montierte Linseneinheit
dargestellt. Jetzt wird die Linseneinheit auf der Sensorplatine bestückt
und auf der Platinenunterseite verlötet. Hierbei ist unbedingt die
korrekte Polung sicherzustellen, die durch die „Nase“ am Sensor
gekennzeichnet ist.
|
| Bild 8: So wird die fertige Sensorplatine mit der montierten Linse auf die Basisplaine gesetzt |
Nun
kann die Sensorplatine, entsprechend der Abbildung 8, mit der
Basisplatine verlötet werden. Hierbei ist unbedingt darauf zu achten,
das die Sensorplatine genau bis zum Anschlag senkrecht zur Basisplatine
eingesetzt wird. Zum Schluss erfolgt der Einbau in das Gehäuse. Die
Lichtleiterkappe, die als Diffuser dient, wird rückseitig durch die
Gehäusebohrung geführt. Die Unterseite der Lichtleiterkappe, die später
auf der Platine liegt, wird mit etwas Haushaltskleber (kein
Sekundenkleber!) benetzt. Nun ist die Platine mit vier Schrauben im
Gehäuse zu befestigen.Als
Nächstes wird die Gehäuseunterschale so aufgesetzt, das der
Thermopile-Sensor vorn durch die Bohrung schaut. Mit zwei Schrauben sind
beide Gehäusehälften zu verschrauben. Die Frontplatte ist rückseitig
bedruckt, weshalb man diese nicht mit einem aggressiven Kleber verkleben
darf, da der Kleber die Farbe anlöst. Zum Befestigen werden
doppelseitige Klebestreifen verwendet, die an vier verschiedenen Stellen
auf der Rückseite der Frontplatte angebracht werden. Nachdem man die
Schutzfolie von den Klebestreifen entfernt hat, setzt man die
Frontplatte in die Aussparung des Gehäuseoberteils ein. 
|
| Bild 9: So werden die Batterien eingesetzt. |
Das
Batteriefach wird nun mit zwei Mignon-Batterien bestückt und, wie in
Abbildung 9 zu sehen, in das Gehäuse eingesetzt. Um den Batteriehalter
im geschlossenen Gehäuse zu fixieren, klebt man in den Batteriedeckel
ein Schaumstoffstück ein. Nachdem man den Batteriedeckel eingesetzt und
verschraubt hat, ist der Nachbau damit beendet.
|
| Ansicht
der fertig bestückten Sensorplatine des PP 400 mit zugehörigem
Bestückungsplan, oben von der Bestückungsseite, unten von der Lötseite |

|
| Ansicht
der fertig bestückten Basisplatine des PP 400 mit zugehörigem
Bestückungsplan, oben von der Bestückungsseite, unten von der Lötseite |
Fachbeitrag online und als PDF-Download herunterladen
Inhalt
Sie erhalten den Artikel in 2 Versionen:
als Online-Version
als PDF (6 Seiten)
Sie erhalten folgende Artikel:
- Pyro-Pointer PP 400 mit RGB-LED
- 1 x Journalbericht
- 1 x Schaltplan
Hinterlassen Sie einen Kommentar: