Prozessor-Schaltnetzteil SPS 5630 30 V/6 A Teil 1/3
Aus ELVjournal
03/2008
0 Kommentare
Technische Daten
| Ausgangsspannung | 0-30 V (Auflösung 10 mV) |
| Ausgangsstrom | 0,1-60A spannungsabhängig, 2,5 A bei 30 V (Auflösung 1 mA) |
| Mikroprozessorsteuerung | für alle Bedienfunktionen |
| Einstellungen | per Tasten und Inkrementalgeber |
| Anzeige | großflächiges
hinterleuchtetes LC-Display zur gleichzeitigen Anzeige von Spannung,
Strom und Leistung mit den zugehörigen Grenzwerten für U und I und
Statusinformationen |
| Speicher | bis zu 16 individuelle Einstellungen speicherbar |
| Besondere Merkmale | Stand-by-Funktion
zum Deaktivieren des Ausgangs, Endstufen-Temperatursicherung,
Trafo-Temperatursicherung, Sicherheitsbuchsen, kurzschlussfester Ausgang |
| Restwelligkeit | <20 mV eff. (bei Voll-Last) |
| Versorgungsspannung | 230 V/50 Hz |
| Abmessungen Metallgehäuse (B x H x T) | 303 x 155 x 95 mm |
Das
Prozessor-Schaltnetzteil SPS 5630 zeichnet sich durch einen hohen
Wirkungsgrad aus und kann eine einstellbare Ausgangsspannung von 0 bis
30 V mit bis zu 6 A Strombelastbarkeit liefern. Dank Prozessorsteuerung
und der Sollwert-Vorgabe mit einem Inkrementalgeber bietet das Gerät
einen
außergewöhnlichen Bedienungskomfort. Die Soll- und Ist-Werte sowie alle
wichtigen Statusinformationen werden auf einem großen hinterleuchteten
LC-Display dargestellt. Untergebracht ist das SPS 5630 in einem
hochwertigen Metallgehäuse mit Alu-Front.Allgemeines
Das
pulsweitenmodulierte (PWM) Labor-Schaltnetzteil SPS 5630 arbeitet nach
dem Prinzip des sekundär getakteten Schaltreglers. Im Gegensatz zu
linear geregelten Netzgeräten zeichnen sich Schaltnetzteile durch einen
besonders hohen Wirkungsgrad aus. Der hier eingesetzte Step-down-
Wandler arbeitet über den gesamten Spannungsbereich mit einem hohen
Wirkungsgrad, wobei prinzipbedingt die Vorteile bei hohen
Ausgangsströmen und kleineren Ausgangsspannungen besonders zum Tragen
kommen. In der Endstufe wird selbst bei voller Strombelastung nur wenig
Leistung in Verlustwärme umgesetzt, so dass selbst volle Belastungen das
SPS 5630 nahezu „kalt” lassen. Bei einem Labor-Netzgerät sind natürlich
neben den Leistungsdaten präzise Sollwert-Vorgaben für die
Ausgangsspannung und den Ausgangsstrom wichtig. Hier vereint nun das mit
einem Inkrementalgeber (Drehimpulsgeber) ausgestattete SPS 5630 die
einfache und schnelle Bedienbarkeit einer herkömmlichen Poti-Einstellung
mit der Präzision einer digitalen Sollwert-Vorgabe, z. B. über Tasten.
Die Auflösung des Inkrementalgebers ist für die Einstellung veränderbar.
So sind für die Spannungsvorgabe je Rastung Schritte zwischen 10 mV und
10 V und für die Stromvorgabe je Rastung Schritte zwischen 1 mA und 1 A
möglich. Im LC-Display wird die jeweils zu verändernde Stelle mit Hilfe
eines Unterstrichs gekennzeichnet. Je Umdrehung verfügt der
Inkrementalgeber über 24 Raststellungen.Beim
SPS 5630 werden alle wichtigen Einstellungen und Parameter auf einem
großflächigen hinterleuchteten LC-Display gleichzeitig angezeigt. Dabei
sind neben den Ist-Werten für Spannung, Strom und Leistung auch die
Grenzwerte (Sollwert- Vorgaben) für Spannung und Strom direkt abzulesen.
Des Weiteren werden alle wichtigen Statusinformationen und welcher
Regler gerade aktiv ist (U oder I) direkt auf dem Display angezeigt.
Arbeitet das Netzgerät beispielsweise als Spannungskonstanter (der
Ist-Wert und der Soll-Wert für die Spannung sind gleich groß), kann
neben dem aktuell fließenden Strom auch der programmierte Grenzwert
(Limit) direkt abgelesen werden. Mit einem Blick ist dann erkennbar, wie
weit die Stromaufnahme der angeschlossenen Last noch vom programmierten
Grenzwert entfernt ist. Das große LC-Display ist durch die abschaltbare
bzw. über einen Timer steuerbare Hinterleuchtung jederzeit gut
ablesbar. Des Weiteren kann der Displaykontrast programmiert werden.
Eine Stand-by-Funktion ermöglicht auf Tastendruck das schlagartige Ein-
und Ausschalten des Ausgangs, wobei der Stand-by-Modus mit einem
auffälligen Symbol im Display angezeigt wird. Im praktischen Betrieb
kann es wichtig sein, die Spannung schnell abschalten zu können. Selbstverständlich
ist das SPS 5630 dauerkurzschlussfest. In einem benutzerdefinierbaren
Speicher können bis zu 16 individuelle Sollwert-Vorgaben abgelegt
werden, die dann jederzeit wieder zur Verfügung stehen. Die Anzeige des
ausgewählten Speicherplatzes erfolgt unten rechts im Display. Um zu
verhindern, dass Vorgabewerte versehentlich oder bei unbeaufsichtigtem
Betrieb durch Unbefugte verändert werden, können alle Bedienfunktionen –
mit Ausnahme der Stand-by-Taste zum schnellen Deaktivieren des Ausgangs
– gesperrt werden. Befindet sich das Gerät bereits im Standby- Modus,
ist auch diese Taste gesperrt. Die Sperre wird im Display mit dem Symbol
„Locked“ angezeigt. Sowohl für die Endstufe des PWM-Schaltreglers als
auch für den leistungsfähigen Netztransformator ist eine elektronische
Temperatursicherung vorhanden, die bei Überlast das Gerät in den
Stand-by-Modus versetzt. Signalisiert wird der Überlastungszustand durch
ein „Overtemp.“-Symbol im Display, das zur Vorwarnung bereits 5 °C
unterhalb der Abschalttemperatur zu blinken beginnt. 
|
| Bild 1: Der Betriebsbereich vom SPS 5630 |
Aufgrund
des PWM-Schaltreglers ist die maximal mögliche Stromentnahme des SPS
5630 von der eingestellten Ausgangsspannung abhängig. Das SPS 5630 kann
bis zu 12 V Ausgangsspannung einen max. Ausgangsstrom von 6 A liefern,
während bei höheren Ausgangsspannungen sich die Strombelastbarkeit
verringert, bis letztendlich bei 30 V Ausgangsspannung noch 2,5 A zur
Verfügung stehen (Abbildung 1).Bedienung
Die
Bedienung des SPS 5630 ist nicht nur komfortabel, sondern auch
besonders einfach und im Grunde genommen selbsterklärend. Neben dem
Bedienkonzept mit Drehimpulsgeber (Inkrementalgeber) trägt dazu auch das
große übersichtliche und hinterleuchtete LC-Display bei. Wie die
Frontansicht des Gerätes zeigt, sind zur Bedienung 7 Taster, ein
Drehimpulsgeber mit 24 Raststellungen pro Umdrehung sowie ein
Netzschalter zum Ein- bzw. Ausschalten der primärseitigen Netzspannung
vorhanden. Im LC-Display werden alle wichtigen Daten übersichtlich
dargestellt. Für die Istwert-Anzeigen der Spannung, des Stroms und der
Leistung auf der linken Displayseite werden dabei besonders große
Zeichen verwendet, während die Limits und der gewählte Speicherplatz auf
der rechten Displayseite kleiner dargestellt werden. Im mittleren
Bereich des Displays wird der jeweils aktive Regler (U oder I)
übersichtlich angezeigt. Beim aktiven Regler sind dann der Soll-Wert und
der Ist-Wert gleich groß. Die Statuszeile im unteren Bereich des
Displays informiert über verschiedene Betriebszustände.
|
| Bild 2: Das Display des SPS 5630 |
Abbildung
2 zeigt das Display des SPS 5630 mit allen zur Verfügung stehenden
Anzeigesegmenten. Nach dem Einschalten des SPS 5630 mit dem Netzschalter
(links unten) führt das Gerät einen Displaytest durch und steuert für
ca. 2 Sekunden alle Segmente des Displays an. Danach werden kurz die
Versionsnummern der Firmware (Haupt-Mikrocontroller, Displaycontroller)
angezeigt und das Gerät übernimmt die zuletzt genutzte
Gerätekonfiguration vor dem Ausschalten. Es wird nach dem Einschalten
der Netzspannung immer zuerst der Stand-by-Modus aktiviert.Grundsätzlich
erfolgt die Sollwert-Vorgabe für Spannung und Strom 4-stellig, wobei
zuerst mit der „U/I“-Taste unterhalb des Displays die zu verändernde
Größe auszuwählen ist. Bei der jeweils aktivierten Einstellfunktion wird
dann ein „Unterstrich“ an der aktuell zu verändernden Stelle angezeigt.
Die gewünschte Stelle, die verändert werden soll, ist bei Bedarf
mittels der „←“- und „→“-Tasten unterhalb des Displays auszuwählen. Mit
dem Inkrementalgeber erfolgt die Einstellung des gewünschten
Soll-Wertes, bei dem bei einem Überbzw. Unterlauf automatisch ein
Übertrag auf die nächste Stelle erfolgt. Die zuletzt gewählten
Einstellschritte bleiben auch nach dem Umschalten von U auf I oder
umgekehrt erhalten, d. h., es kann z. B. die Spannungsvorgabe in
100-mV-Schritten und die Stromvorgabe im 10-mA-Raster erfolgen, ohne
dass dazu die Stellen erneut auszuwählen sind. Sobald eine der
Pfeiltasten oder der Inkrementalgeber betätigt wird, erfolgt unabhängig
davon, welcher Regler aktiv ist, die Anzeige des Soll-Wertes in der
Hauptanzeige (links). Die Übernahme der neuen Einstellung als Grenzwert
(Limit) erfolgt automatisch, wenn länger als 5 Sekunden keine Bedienung
erfolgt, oder sofort bei Betätigung der „Enter“-Taste. Nach der
Übernahme erscheinen links wieder aktuelle Ist-Werte und rechts die
neuen Sollwert-Vorgaben. Benutzerdefinierte Speicherplätze
Für
individuelle Spannungs- und Stromvorgaben stehen beim SPS 5630
insgesamt 16 Speicherplätze zur Verfügung, die über eine
„Recall-Funktion“ schnell aufzurufen sind. Auch bei einem
Spannungsausfall bleiben abgespeicherte Einstellungen erhalten.Sollwert-Vorgaben abspeichern
Das
Abspeichern der aktuell eingestellten Sollwert-Vorgaben erfolgt mit der
Taste „Memory“. Nach einer kurzen Betätigung der Taste blinkt die
Speicherplatz-Nummer. Nun kann mit dem Inkrementalgeber oder den
Pfeiltasten der gewünschte Speicherplatz ausgewählt werden. Zur
Übernahme der aktuellen Sollwert-Vorgaben unter dem ausgewählten
Speicherplatz ist die Taste „Enter“ kurz zu betätigen.Sollwert-Vorgaben aufrufen
Das
Aufrufen von abgespeicherten Sollwert- Vorgaben ist jederzeit mit der
Taste „Recall“ möglich. Nach einer kurzen Tastenbetätigung blinkt die
Speicherplatz-Nummer und die Auswahl des gewünschten Speicherplatzes mit
den abgespeicherten Sollwert-Vorgaben ist dann mit dem Inkrementalgeber
oder den Pfeiltasten möglich. Im Display werden die zum jeweiligen
Speicherplatz gehörenden Sollwert- Vorgaben groß dargestellt. Zur
Übernahme der abgespeicherten Werte als neue Sollwert-Vorgaben ist kurz
die „Enter“- Taste zu betätigen.Tastatur-/Inkrementalgeber-Sperre (Lock)
Um
zu verhindern, dass Vorgabewerte versehentlich verändert werden, kann
eine „Lock-Funktion“ aktiviert werden. Dazu sind beide Pfeiltasten so
lange gedrückt zu halten (ca. 3 Sek.), bis im Display die Anzeige
„Locked“ erscheint. Mit Ausnahme der Stand-by-Aktivierung sind dann alle
Bedienfunktionen gesperrt. Befindet sich das Gerät bereits im
Stand-by-Modus, ist auch diese Taste gesperrt. Die Sperre kann durch
erneutes gleichzeitiges Drücken der beiden Pfeiltasten wieder aufgehoben
werden.Stand-by-Modus
Mit
Hilfe der Taste „Stand-by“ ist der Ausgang des Netzgerätes aktivierbar
bzw. deaktivierbar, ohne dass dazu Einstellungen zu verändern sind. Der
Stand-by-Zustand wird im Display mit dem entsprechenden Symbol
angezeigt. Besonders praktisch ist diese Funktion, wenn an einem
angeschlossenen Gerät gearbeitet wird, da zum Ausschalten keine
Sollwert- Veränderungen notwendig sind. Die Taste hat eine Toggle-
Funktion, d. h., ein weiterer Tastendruck hebt den jeweils aktuellen
Zustand wieder auf. Um Abgleichfehler zu vermeiden, ist die
Stand-by-Funktion im Abgleich-Modus während der Abgleich-Funktion
gesperrt.Display-Kontrast und Hinterleuchtung
Durch
eine lange Tastenbetätigung des Tasters „U/I“ (>5 Sek.) gelangt man
in das Set-up-Menü für den Display- Kont rast und zur Einstellung der
Zeiten für die Display-Hinterleuchtung. Durch kurze Tastenbetätigungen
der Taste „U/I“ kann zwischen den beiden Menüpunkten „Cont“ (für die
Kontrasteinstellung) und „ILL“ (Zeiten für die Display-Hinterleuchtung)
beliebig gewechselt werden. Der Kontrast ist in 8 Stufen mit den
Pfeiltasten oder dem Drehimpulsgeber zu verändern. In gleicher Weise
kann auch bestimmt werden, ob die Beleuchtung ständig ausgeschaltet,
ständig eingeschaltet oder nach jeder Tastenbetätigung für eine Minute, 5
Minuten, 10 Minuten, 30 Minuten oder auch 60 Minuten aktiviert werden
soll. Das Abspeichern des jeweils neu eingestellten Wertes erfolgt durch
eine kurze Betätigung der „Enter“-Taste, wobei dann automatisch das
Menü verlassen wird. Erfolgt länger als 15 Sekunden keine Eingabe, wird
das Set-up-Menü automatisch verlassen.Übertemperatur-Schutzschaltung
Die
Endstufentemperatur und die Temperatur des Netztrafos werden durch den
Mikrocontroller ständig überwacht, wobei zur Vorwarnung das Symbol
„Overtemp.“ bereits 5 °C unterhalb der Abschalttemperatur zu blinken
beginnt. Sobald die Endstufe oder der Netztrafo die jeweils zulässige
Temperaturgrenze überschreitet, erfolgt dann eine komplette Abschaltung
der Ausgangsspannung. Im Display wird dieser Zustand durch die ständige
Anzeige des Symbols „Overtemp.“ signalisiert. Der Ausgang wird
automatisch erneut aktiviert, sobald sich die Temperaturen wieder im
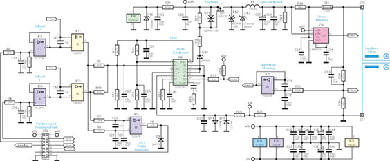
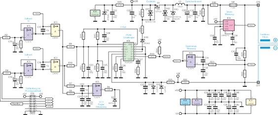
normalen Bereich befinden.Blockschaltbild
Das Zusammenwirken der einzelnen Baugruppen des SPS 5630 veranschaulicht das Blockschaltbild in Abbildung 3.
|
| Bild 3: Blockschaltbild des SPS 5630 |
Zentrales
Bauelement des SPS 5630 ist der Haupt-Mikrocontroller im oberen
mittleren Bereich des Blockschaltbildes. Hier werden die
Sollwert-Vorgaben generiert und der Controller erhält die Messwerte für
Strom und Spannung, die Information, welcher Regler aktiv ist, und
Temperaturinformationen von Trafo und Endstufe. Der nicht-flüchtige
Speicher (EEPROM) des SPS 5630 ist direkt im Mikrocontroller integriert.
Die Kalibrierparameter und die individuellen Spannungs- und
Stromvorgaben werden hier abgespeichert und bleiben auch ohne
Betriebsspannung nahezu unbegrenzt erhalten. Direkt mit dem
Haupt-Mikrocontroller ist ein weiterer Controller verbunden, der zur
Steuerung des LC-Displays dient, auf dem alle Informationen des
Netzgerätes dargestellt werden. Über
die Bedientasten und den Inkrementalgeber (oben im Blockschaltbild)
erfolgt die Eingabe der gewünschten Parameter und Vorgabewerte. Diese
Informationen sowie die aktuellen Messwerte vom A/D-Wandler nutzt der
Haupt-Mikrocontroller dann für die erforderlichen Steueraufgaben. Die
Sollwert-Vorgaben für die Ausgangsspannung und den Ausgangsstrom liefert
der Haupt-Mikrocontroller in Form von PWM-Steuersignalen. Zur
endgültigen Sollwert-Vorgabe für den PWM-Schaltregler werden aus den
Steuersignalen proportionale Gleichspannungen gewonnen und dem U-Regler
und dem I-Regler zugeführt. Abhängig von der Spannungsund Stromvorgabe
(Soll-Werte) und den Ist-Werten für Strom und Spannung wird der
PWM-Schaltregler dann entweder vom U- oder vom I-Regler gesteuert. Über
die vom Haupt-Mikrocontroller gesteuerte Stand-by- Funktion kann die
Endstufe schlagartig und unabhängig von den Soll- und Ist-Werten ein-
und ausgeschaltet werden. Die Ausgangsspannung und der Ausgangsstrom
werden mit Hilfe von Messverstärkern erfasst und die proportionalen
Messwerte als Ist-Werte dem entsprechenden Regler (U oder I) zugeführt
und zusätzlich über einen Multiplexer (oben rechts) auf den A/D-Wandler
gegeben. Der Dual-Slope-A/D-Wandler arbeitet mit 14 Bit Genauigkeit und
hat die Aufgabe, die Messwerte für Spannung und Strom in digitale
Informationen für den Mikrocontroller umzuwandeln. Des Weiteren werden
dem A/D-Wandler über den Multiplexer proportionale Spannungswerte zur
Endstufentemperatur und zur Trafotemperatur zugeführt. Auch diese
Spannungen werden mit dem A/D-Wandler in digitale Daten für den
Mikrocontroller gewandelt. In Abhängigkeit von den Temperaturwerten kann
der Mikrocontroller das SPS 5630 in den Stand-by-Modus versetzen. Der
links im Blockschaltbild eingezeichnete Netztransformator speist den
Leistungs-Brückengleichricher, der wiederum die Eingangsspannung für den
PWM-Schaltregler liefert. Eine weitere Wicklung mit Mittelanzapfung
stellt die Wechselspannungen für die interne Spannungsversorgung zur
Verfügung. Hier werden die stabilisierten Spannungen +5 V und -5 V
erzeugt. Schaltung
Da
es sich beim SPS 5630 um eine relativ umfangreiche Schaltung handelt,
ist das Gesamtschaltbild in mehrere in sich geschlossene
Funktionsgruppen (Teilschaltbilder) aufgeteilt. Die Prozessoreinheit
(Abbildung 4) besteht im Wesentlichen aus den beiden Mikrocontrollern
und dem gro ßen hinterleuchteten LC-Display.
|
| Bild 4: Schaltbild der Prozessoreinheit des SPS 5630 |

|
| Bild 5: Die Schaltung des A/D-Wandlers |
Diese
Komponenten sind zusammen mit den Bedienelementen auf der Frontplatine
des SPS 5630 untergebracht. Ein weiteres Teilschaltbild zeigt den
A/D-Wandler mit Eingangsmultiplexer (Abbildung 5).Das
Schaltungsteil des sekundär getakteten PWM-Schaltreglers, das im
Wesentlichen aus der Endstufe, der Regelung und der Spannungsversorgung
besteht, ist im Hauptschaltbild (Abbildung 6) zu sehen. 
|
| Bild 6: Schaltbild des Schaltnetzteils |

|
| Bild 8: Die Spannungsversorgung des SPS 5630 |
Ein weiteres Teilschaltbild (Abbildung 8) zeigt die Spannungsversorgung.Prozessoreinheit

|
| Bild 4: Schaltbild der Prozessoreinheit des SPS 5630 |
Betrachten
wir zuerst die Prozessoreinheit in Abbildung 4, die mit 2
Mikrocontrollern realisiert wurde. Die Controller übernehmen alle
Steueraufgaben, ermöglichen die komfortable Bedienung und sind für die
Anzeige der Messwerte im Display verantwortlich. Die erforderliche
externe Beschaltung ist hingegen äußerst gering. Während der
Mikrocontroller IC 201 für die Ansteuerung des LC-Displays
verantwortlich ist, übernimmt der Controller IC 200 alle Steueraufgaben
des eigentlichen Netzgerätes. Neben dem Arbeitsspeicher ist in IC 200
auch ein EEPROM zur Speicherung von nicht-flüchtigen Daten, wie z. B.
die Abgleichparameter und die individuellen Spannungs- und
Stromeinstellungen, vorhanden. Der Prozessortakt wird mit dem
Keramikresonator Q 200 erzeugt. Die Kommunikation zwischen den beiden
Mikrocontrollern erfolgt über insgesamt 4 Portleitungen.Die
auf der Frontplatine untergebrachte Prozessoreinheit ist über den
Flachbandkabel- Steckverbinder ST 200 mit der Basisplatine
(PWMSchaltnetzteil) verbunden. Die insgesamt 7 Bedientasten des Gerätes
sind direkt an Port PC 0 bis PC 5 und Port PD 1 des Cont rollers IC 200
angeschlossen und benötigen keine weitere Beschaltung. An Port PD 2 und
PD 3 ist der Drehimpulsgeber (Inkrementalgeber) angeschlossen. Hier
dienen die Kondensatoren C 204 und C 205 zur Störunterdrückung. Des
Weiteren dienen die Kondensatoren C 200 bis C 203 zur Störabblockung an
den einzelnen Versorgungspins des ICs. Der Display-Controller IC 201
steuert über Port 2.0 und R 204 den Transistor T 200, in dessen
Kollektorkreis sich die „Sidelooking- Lamps“ der Display-Hinterleuchtung
mit den zugehörigen Vorwiderständen R 200 bis R 203 befinden. Zur
Takterzeugung sind bei diesem Controller Pin 17 und Pin 18 mit einem
Widerstand (R 212) beschaltet. Die Spannungsteilerkette R 205 bis R 210
mit den zugehörigen Abblock-Kondensatoren C 206 bis C 210 bestimmt den
Displaykontrast. Der Kondensator C 214 ist zur Störabblockung direkt an
den Versorgungspins des Controllers angeordnet. A/D-Wandler

|
| Bild 5: Die Schaltung des A/D-Wandlers |
Damit
der Prozessor die analogen Messwerte verarbeiten kann, ist eine
Analog-Digital-Wandlung erforderlich. Diese Aufgabe übernimmt die in
Abbildung 5 dargestellte Schaltung, die mit IC 8 A, B und externen
Komponenten realisiert wurde. Dabei handelt es sich um einen
integrierenden Wandler. Die Grundelemente dieses trotz kostengünstigen
Aufbaus sehr genauen Wandlers sind der als invertierender Integrator
geschaltete Operationsverstärker IC 8 B und der Komparator IC 8 A. Bei
diesem Zwei-Rampen-Wandler wird vorausgesetzt, dass Mess- und
Referenzspannung entgegengesetzte Vorzeichen haben.Über
Port PD 4, PD 5 und PD 7 (IC 200) erfolgt mit Hilfe des
Analog-Multiplexers IC 7 die Auswahl des Mess-Eingangs. Neben dem
Kondensator im Rückkopplungszweig (C 49) gehören die jeweiligen
Widerstände (R 33 bis R 37) zum Integrator. Damit der Offset des OPs
keinen Einfluss auf die Messung hat, ist der positive Eingang von IC 8 B
über den Spannungsteiler R 38, R 39 leicht negativ vorgespannt. Der
nachgeschaltete Komparator (IC 8 A) schaltet um, wenn die
Ausgangsspannung des Integrators wieder im Ruhezustand ist. Der
Transistor T 2 erzeugt dann eine Spannungsflanke an Port PB 0 des
Controllers IC 200. Die erforderliche Referenzspannung wird von der
Referenzdiode D 17 im unteren Bereich des Schaltbildes zur Verfügung
gestellt. Neben den Messgrößen für U und I werden dem Multiplexer IC 7
auch proportionale Spannungen zur Endstufentemperatur und zur
Trafotemperatur zugeführt. Die
Funktionsweise ist recht einfach. Im Ruhezustand ist Eingang 5 des
Multiplexers durchgeschaltet, d. h., Pin 3 und Pin 5 sind miteinander
verbunden. Dadurch wird der Integrationskondensator C 49 über R 40
kurzgeschlossen und somit vollständig entladen. Zur Messung schaltet der
Eingangs- Multiplexer auf einen Eingangskanal und die Messspannung wird
abintegriert. Mit einer stabilen Referenzspannung (-2,5 V) erfolgt
danach so lange das Aufintegrieren, bis der Ausgang des
Miller-Integrators wieder Ruhepotential führt. Vom Prozessor wird die
Zeit, die zum Aufintegrieren benötigt wird, genau erfasst. Aus dem
Verhältnis der Zeiten für das Ab- und Aufintegrieren und den verwendeten
Vorwiderständen kann exakt die anliegende Spannung ermittelt werden.
Für jeden Messkanal wiederholt sich der zuvor beschriebene Vorgang.
Damit der A/D-Wandler zu Beginn der Messung auf jeden Fall im
Ruhezustand ist, wird der Integrationskondensator grundsätzlich vorher
entladen. Über den Komparator IC 8 A und den Transistor T 2 erhält der
Mikrocontroller die Zeitinformationen. PWM-Schaltregler
Das eigentliche Schaltnetzteil arbeitet als sekundär getakteter PWM-Schaltregler und ist in Abbildung 6 zu sehen.
|
| Bild 6: Schaltbild des Schaltnetzteils |
Das
hier dargestellte Schaltungsteil ist über den 14-poligen Steckverbinder
ST 8 mit der Prozessoreinheit verbunden. Die wesentlichen Baugruppen
sind der mit IC 6 realisierte PWMController, die mit T 1, D 13 und L 1
realisierte Endstufe und die beiden Regler für Strom und Spannung. 
|
| Bild 7: Interner Aufbau des SG 3524 |
Zentrales
Bauelement des PWM-Schaltreglers ist das bekannte Schaltregler-IC SG
3524 (IC 6), dessen interner Schaltungsaufbau in Abbildung 7 dargestellt
ist. Dieses IC ist sehr flexibel einsetzbar und enthält alle
Grundelemente, die zum Aufbau eines PWM-Schaltreglers erforderlich sind.
Eine interne Referenzspannung steht an Pin 16 zur Verfügung und dient
zunächst zur Speisung des mit R 13 und R 14 aufgebauten Spannungsteilers
an Pin 1 (invertierender Eingang des Fehlerverstärkers). Wenn das SPS
5630 als Spannungskonstanter arbeitet, wird der Ist-Wert von IC 3 A
bestimmt, und wenn das Netzgerät als Stromregler arbeitet, liefert IC 3 B
den Ist-Wert jeweils in Verbindung mit den Widerständen R 9 bis R 12.
Welcher Regler gerade aktiv ist, hängt natürlich von den
Sollwert-Vorgaben und der aktuellen Last ab.Der
im SG 3524 integrierte Regler wiederum vergleicht ständig die
Eingangsgrößen an Pin 1 und Pin 2 miteinander und steuert über seinen an
Pin 9 mit einer R/C-Kombination (R 16, C 27) beschalteten Ausgang den
integrierten Komparator und somit das PWM-Ausgangssignal
(Puls-Pause-Verhältnis). Die Schaltfrequenz des Step-down-Wandlers wird
durch die externe Oszillatorbeschaltung an Pin 6 und Pin 7 (R 15, C 26)
bestimmt. Zwei im SG 3524 integrierte Treibertransistoren an Pin 11 bis
Pin 14 dienen zur Steuerung des selbstsperrenden P-Kanal- Leistungs-FETs
T 1. Der Spannungsteiler R 17, R 18 sowie die Diode D 10 dienen
zusammen mit der Transil-Schutzdiode D 11 zur Begrenzung der
Gate-Source-Spannung. Solange der PWM-Ausgang des SG 3524 den
P-Kanal-Leistungs- FET (T 1) durchsteuert, fließt der Ausgangsstrom über
diesen Transistor, die Speicherdrossel L 1 und die Sicherung SI 4 zum
Ausgang. Aufgrund der in L 1 gespeicherten Energie bleibt der Stromfluss
bei gesperrtem FET (T 1) über die schnelle Schottky-Diode D 13
aufrechterhalten. Die Ausgangsspannung oder der Ausgangsstrom ist direkt
abhängig vom Tastverhältnis, wobei der Elko C 29 zur Glättung dient.
Die Transil-Schutzdiode D 12 eliminiert Störimpulse, und die Sicherung
SI 4 dient zum Schutz des Netzgerätes und der angeschlossenen Last im
Fehlerfall. Über
den mit R 21 und R 22 aufgebauten Spannungsteiler wird die
Ausgangsspannung des SPS 5630 gemessen und direkt IC 3 A an Pin 2
zugeführt. Hier erfolgt dann der Vergleich mit dem an Pin 3 anliegenden
Soll-Wert. Des Weiteren wird die zur Ausgangsspannung proportionale
Messspannung über den Pufferverstärker IC 5 D dem Multiplexer des
A/D-Wandlers (IC 7) zugeführt. Die am Stromshunt R 49 abfallende
Spannung ist direkt proportional zum Ausgangsstrom des SPS 5630 und wird
mit Hilfe des Messverstärkers IC 9 um den Faktor 20 verstärkt. Die am
Ausgang (Pin 5) anstehende Spannung gelangt zum Vergleich mit dem
Soll-Wert des Stroms direkt auf Pin 6 des Komparators IC 3 B und zur
Messung des Ausgangsstroms auf den Multiplexer des A/D-Wandlers (IC 7).
Unabhängig vom Stromregler wird die an R 26 abfallende Spannung zur
schnellen Maximalstrombegrenzung über R 25 auf die Chip-interne
Strombegrenzerschaltung (Pin 4, Pin 5) des SG 3524 gegeben. Die Dioden D
14 und D 15 dienen zum Schutz des Eingangs (Pin 5). Die vom
Mikrocontroller kommenden Sollwert-Informatio nen gelangen auf die mit R
2, R 3, C 15 und R 4, R 5, C 16 aufgebauten R/C-Kombinationen, wo
jeweils aus dem PWM-Signal des Mikrocontrollers der arithmetische
Mittelwert gebildet wird. Die nachgeschalteten Operationsverstärker IC 5
C und IC 5 A dienen als Impedanzwandler für die Steuerspannungen. Spannungsversorgung

|
| Bild 8: Die Spannungsversorgung des SPS 5630 |
In
Abbildung 8 ist die Spannungsversorgung des SPS 5630 dargestellt. Der
Netztransformator wird über die 2-polige Netz-Buchse BU 100, die
Netz-Sicherung SI 100 und den Netzschalter S 100 mit Spannung versorgt,
wobei der primärseitige X2-Kondensator C 100 zur Störunterdrückung
dient. Die obere Sekundärwicklung mit Mittelanzapfung liefert 2 x 9 V
mit 0,33 A Strombelastbarkeit zur Versorgung des Prozessorteils und der
gesamten Steuerelektronik. Zwei mit D 1, D 2 und D 3, D 4 aufgebaute
Mittelpunkt- Zweiweg-Gleichrichterschaltungen liefern unstabilisierte
Kleinspannungen, die zunächst mit C 2 und C 6 gepuffert werden. Die
unstabilisierte positive Spannung wird auf den Eingang des
Festspannungsreglers IC 1 gegeben und die negative Spannung auf den
Eingang des Negativreglers IC 2. Am Ausgang der Festspannungsregler IC 1
und IC 2 stehen dann +5 V und -5 V zur Versorgung der Steuerelektronik
zur Verfügung. Schwingneigungen an den Spannungsregler-Ausgängen werden
mit C 3 und C 7 verhindert. Zur Unterdrückung von hochfrequenten
Störungen dienen die Keramik-Kondensatoren C 1, C 4, C 5 und C 8.Die
Leistungs-Endstufe des PWM-Schaltreglers wird mit der unteren Wicklung
des Netztransformators, die maximal 32 V/4,8 A liefert, versorgt. Über
die Sicherung SI 3 gelangt die Spannung dieser Wicklung auf den mit D 5
bis D 8 aufgebauten Brückengleichrichter. Störspitzen, die beim Schalten
der Dioden entstehen können, werden mit Hilfe der Keramik-Kondensatoren
C 9 bis C 12 unterdrückt. Der Elko C 14 dient zur Pufferung und
Glättung der unstabilisierten Gleichspannung und C 13 zur weiteren
Störunterdrückung. Im ausgeschalteten Zustand des SPS 5630 sorgt der
Widerstand R 1 für die Entladung des Puffer-Elkos. Im nächsten Teil
zeigen wir den Nachbau und den Abgleich dieses interessanten
Schaltnetzteils. Fachbeitrag online und als PDF-Download herunterladen
Inhalt
Sie erhalten den Artikel in 2 Versionen:
als Online-Version
als PDF (7 Seiten)
Sie erhalten folgende Artikel:
- Prozessor-Schaltnetzteil SPS 5630 30 V/6 A Teil 1/3
- 1 x Journalbericht
- 1 x Schaltplan
| Produkte | weitere Fachbeiträge | Foren | |
Zu diesem Produkt gibt es 1 Beiträge im Forum
Hinterlassen Sie einen Kommentar: