Temperaturen im Griff – Universal-Thermostat UT 200
Aus ELVjournal
05/2008
0 Kommentare
Technische Daten
| Temperatursensor | abgesetzt (2 m Anschlussleitung) |
| Schaltleistung | 230 V / 16 A |
| Temperaturbereich | -40 °C bis +99,9 °C |
| Betriebsart | Heiz- oder Kühlbetrieb |
| Ein- und Ausschalttemperatur unabhängig voneinander einstellbar | |
| Abmessungen (B x H x T) | 55 x 134 x 40 (ohne Stecker) |
Im
täglichen Leben sind wir mit vielen temperaturabhängigen Schalt- und
Regelvorgängen konfrontiert – Heizen, Kühlen, Klimatisieren … Der UT 200
ist ein sehr universell einsetzbarer und besonders einfach bedienbarer
Elektronik- Thermostat mit digitaler Anzeige von Soll- und
Ist-Temperatur. Er erfasst Temperaturdaten in einem sehr weiten
Temperaturbereich über einen externen Temperatursensor und ist sowohl
als leistungsfähiger Heizungs- wie auch Kühlthermostat einsetzbar.Heizen? Kühlen? – Geht alles!
Der
neue Thermostat ist in nahezu allen Bereichen einsetzbar, wo eine
Temperaturregelung im Heiz- oder Kühl betrieb erforderlich ist. Neben
dem Einsatz als eigenständiges Gerät kann das UT 200 auch als Ersatz für
defekte mechanische Thermostate dienen. So kann z. B. ein Kühlschrank
mit defektem Thermostat über das im Stecker-Steckdosen-Gehäuse
untergebrachte UT 200 ein- und ausgeschaltet werden. Der mit einer 2
Meter langen Anschlussleitung ausgestattete Temperatursensor ist einfach
an einer geeigneten Stelle innerhalb des Kühlgerätes zu positionieren.
Ganz ähnlich kann auch der Einsatz im Heizbereich erfolgen, z. B.
innerhalb einer elektrischen Fußbodenheizung, für den Betrieb eines
Ölradiators oder eines Heizlüfters. Prinzipiell sind also alle
elektrischen Geräte anschließbar, die über eine normale flexible
Netzanschlussleitung verfügen und nicht mehr als 16 A (230 V) aufnehmen.
Durch die universelle Einstellmöglichkeit der Temperatur-Ober- und
-Untergrenzen ist das Gerät sowohl für eine Kühl- als auch eine
Heizungsregelung einsetzbar. Daneben bleibt die Möglichkeit, jederzeit
manuell eingreifen zu können. Bemerkenswert ist auch der weite
Regelbereich von -40 °C bis +99 °C, der eine Vielzahl von
Regelungsaufgaben lösbar macht. Ein nicht flüchtiger Speicher sorgt
dafür, dass die eingestellten Temperaturdaten auch bei Spannungsausfall
bzw. Ziehen des UT 200 aus der Netzsteckdose erhalten bleiben. Der im
schlanken Stecker-Steckdosen-Designgehäuse untergebrachte Thermostat
kann überall sofort eingesetzt werden, wo eine Netzsteckdose zur
Verfügung steht.Bedienung
Die
Bedienung des Gerätes gestaltet sich besonders einfach. Es sind
lediglich zwei Betriebsmodi vorhanden, der Automatik- Modus und der
manuelle Modus. Der manuelle Modus wird aktiviert, indem die Tasten „+“
und „–“ gleichzeitig gedrückt werden. Der Schaltzustand folgt dann nicht
mehr der gemessenen Temperatur, sondern er ist einfach durch Betätigen
der Taste „Aus/Ein“ wählbar. Um wieder in den Automatik-Modus zu
gelangen, muss man lediglich eine der Tasten „+“ oder „–“ betätigen. Im
Automatik-Modus wird das Relais abhängig von der gemessenen Temperatur
und den beiden eingestellten Vorgabewerten „Einschalttemperatur“ und
„Ausschalttemperatur“ geschaltet. Abhängig davon, ob die
Einschalttemperatur oder die Ausschalttemperatur größer eingestellt
sind, arbeitet das Gerät dabei im Heiz- bzw. im Kühlbetrieb. Wird die
Ausschalttemperatur im Heizbetrieb überschritten bzw. im Kühlbetrieb
unterschritten, so schaltet sich der Ausgang ab. Wird die
Einschalttemperatur im Heizbetrieb unterschritten bzw. im Kühlbetrieb
überschritten, so wird der Ausgang aktiviert, der angeschlossenen
Verbraucher also eingeschaltet. Der Bereich zwischen den beiden
Vorgabewerten wird als Hysterese bezeichnet, hier erfolgt keine
Veränderung des Schaltzustands. Um die Vorgabewerte zu verändern, ist
die Taste „Aus/Ein“ kurz zu betätigen. Nun kann man mit den Tasten „+“
und „–“ die Einschalttemperatur verändern. Dann ist erneut die Taste
„Aus/Ein“ zu betätigen und es kann die Ausschalttemperatur verändert
werden. Dieser Wert wird übernommen, wenn die Taste „Aus/Ein“ abermals
betätigt wird. Anschließend kehrt das Gerät in den normalen
Betriebsmodus zurück. Auf dem hinterleuchteten Display erscheint neben
der aktuellen Temperatur der aktuelle Status des Gerätes, d. h., ob sich
dieses im Automatik- oder im manuellen Modus befindet, ob der Heiz-
oder Kühlbetrieb aktiv ist und ob der Ausgang eingeschaltet oder
ausgeschaltet ist.Schaltung

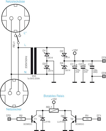
|
| Bild
1: Die Schaltungsteile, die sich auf der Basisleiterplatte befinden:
Netzteil mit unstabilisierter Spannungserzeugung, Relaisansteuerung und
Schaltrelais |
Das
Schaltbild ist entsprechend den beiden im Gerät verbauten Leiterplatten
in zwei Teile aufgeteilt. Der erste Teil zeigt in Abbildung 1 die auf
der Basisleiterplatte angeordneten Komponenten. Der Transformator TR 1
stellt die für die Schaltung notwendige Kleinspannung bereit. Ein sonst
bei solchen Stecker-Steckdosen-Geräten häufig verwendetes
Kondensatornetzteil kann hier nicht zur Anwendung kommen, da die nach
außen geführte Sensorleitung aus sicherheitstechnischen Gründen eine
galvanische Trennung erforderlich macht. Bei dem Transformator handelt
es sich um eine dauerhaft kurzschlusssichere Ausführung, so dass hier
keine zusätzliche Schmelzsicherung notwendig ist. Die
Sekundär-Wechselspannung des Transformators wird mit den als
Brückengleichrichter geschalteten Dioden D 1 bis D 4 gleichgerichtet und
mit den Kondensatoren C 1 und C 2 gesiebt. Deren recht große Kapazität
ist deshalb erforderlich, weil das Relais im Umschaltmoment einen
relativ hohen Strom zieht, den der kleine Transformator nicht aufbringen
kann. Die zum Umschalten erforderliche Energie wird somit in den Elkos
gepuffert. Bei Relais REL 1 handelt es sich um ein sogenanntes
bistabiles Relais. Wie der Name bereits sagt, besitzt dieses zwei
stabile Schaltzustände, die auch dann unverändert bleiben, wenn die
Relaisspule nicht von Strom durchflossen ist. Es „fällt“ somit nicht
„ab“ wie ein normales monostabiles Relais. Bistabile Relais sind sowohl
mit einer als auch mit zwei Erregerspulen erhältlich. Bistabile Relais
mit einer Erregerspule nehmen bei Stromfluss in die eine Richtung einen
stabilen Zustand und bei umgekehrtem Erregerstrom den anderen
Schaltzustand ein. Bei der vorliegenden Ausführung mit zwei
Erregerspulen wird bei Stromfluss durch eine Spule der erste
Schaltzustand und bei Stromfluss durch die andere Spule der andere
Schaltzustand eingenommen. Der Vorteil der Ausführung mit zwei Spulen
liegt in der deutlich einfacheren Ansteuerung. Da der Mikrocontroller
den für das Relais notwendigen Strom nicht direkt liefern kann, erfolgt
dies über die Transistoren T 1 und T 2. Zum Umschalten muss der Strom
nur für weniger als 100 Milli sekunden fließen. Die beim Ausschalten von
T 1 bzw. T 2 entstehende hohe Induktionsspannung wird durch die Dioden D
5 und D 6 kurzgeschlossen.
|
| Bild 2: Die Hauptschaltung des UT 200 |
Herzstück
der Schaltung der Displayplatine (Abbildung 2) ist der Mikrocontroller
IC 1. Neben zahlreichen normalen Ports kann dieser über die Anschlüsse
Com 0 bis Com 3 und Seg 0 bis Seg 31 direkt ein LC-Display ansteuern.
Die hierfür notwendigen Spannungen und Signalformen werden intern
erzeugt. Von den maximal 4 x 32 = 128 Segmenten wird hier allerdings nur
ein Bruchteil genutzt. Zur Hinterleuchtung des Displays dienen die
Doppel-Leuchtdioden D 2 und D 3. Die mit T 1, D 4, D 5 und R 4 gebildete
Konstantstromquelle gewährleistet auch dann einen konstanten Strom
durch die LEDs und damit eine konstante Leuchtstärke, wenn die
unstabilisierte Versorgungsspannung sich ändert. Durch die Kombination
einer normalen Siliziumdiode LL4148 mit einer Schottky Diode BAT46
ergibt sich hierbei an der Basis von T 1 eine günstige Spannungslage,
die es ermöglicht, für R 4 einen niederohmigen Widerstand zu verwenden
und hier somit mit einem geringen Spannungsabfall auszukommen. Die
Temperaturmessung erfolgt in bewährter Weise über die Kombination des
Sensors mit R 2, R 3 und C 7. C 7 wird entweder über die Reihenschaltung
des Sensors mit R 2 oder nur über R 2 bis zu einer bestimmten Spannung
geladen. Aus dem Verhältnis der beiden hierfür benötigten Zeiten kann
der Controller den Widerstandswert des Sensors und damit die Temperatur
errechnen. Zwischen den einzelnen Messungen wird C 7 über R 3 entladen.
Die Speicherung der Temperaturvorgaben, die auch bei einem
Spannungsausfall nicht verloren gehen dürfen, erfolgt im EEPROM IC 3,
das über die I2C-Datenleitung SDA und Clockleitung SCL vom Controller
angesprochen wird. Die Datenleitung ist dabei auf zwei Controllerports
geführt, damit diese nicht zwischen Schreib- und Lesebetrieb vom
Output-Mode in den Input-Mode umgeschaltet werden müssen. Der Port P 6
verfügt über interne Pull-up-Widerstände, so dass man die Taster hier
direkt anschließen kann. Die Kondensatoren C 10 bis C 12 dienen der
Unterdrückung elektromagnetischer Störungen. Der Reset-Kondensator C 5
gewährleistet ein definiertes Anlaufen des Controllers bei
Spannungs-Wiederkehr. Die stabilisierte 5-Volt-Versorgungsspannung wird
durch den Festspannungsregler IC 2 bereitgestellt. C 1 bis C 4 sieben
die Spannung zusätzlich und unterdrücken Störungen. Neben einem recht
einfachen, wenig genauen, internen RC Oszillator, für den als externe
Komponente lediglich der Widerstand R 7 notwendig ist, dient der mit Q
1, C 8 und C 9 gebildete Quarzoszillator dem Controller als stabile
Zeitbasis.Nachbau
Wie
üblich sind alle SMD-Bauteile auf den beiden Platinen bereits
werkseitig vorbestückt, so dass hier lediglich noch eine Kontrolle auf
Bestückungsfehler notwendig ist. Der Nachbau der Display-Leiterplatte
gestaltet sich besonders einfach, da hier bereits fast alle Komponenten
vorbestückt sind. Lediglich die beiden bedrahteten
Elektrolytkondensatoren C 2 und C 7 müssen noch von Hand eingelötet
werden. Hierzu sind die Anschlüsse dicht am Gehäuse, unter Beachtung der
Polarität, um 90 Grad abzuwinkeln und an der aus dem Bestückungsdruck
und dem Bestückungsplan hervorgehenden Position durch die Löcher der
Platine zu stecken. Nachdem die Anschlüsse auf der gegenüberliegenden
Seite verlötet sind, müssen die überstehenden Anschlussdrähte relativ
kurz abgeschnitten werden, da diese sonst mit dem Displayrahmen
kollidieren. Als letztes Bauteil ist nun noch die LCD-Einheit
einschließlich der Hinterleuchtung zu montieren. Hierzu wird zunächst
der schwarze LCD-Rahmen auf die Leiterplatte gesetzt. Zwei
Verdrängungszapfen gewährleisten eine Vorfixierung. Es ist darauf zu
achten, dass sich der Federsteg auf der linken und die Bohrungen für die
LED auf der rechten Seite oberhalb der Anschlüsse in der Leiterplatte
befinden. Durch diese Bohrungen werden nun die Side-Looking-LEDs
eingesetzt. Hierbei ist darauf zu achten, dass die LEDs vollständig
aufliegen und dass der Lichtaustritt nach links zum Display weist.
|
Bild 3: Die Aufbaustufen der Displaymontage: 1. Positionierte LCD-Rahmen mit Side-Looking-Lamps. 2. Hier sind Reflektorpapier und Lichtverteilplatte eingelegt. Die verspiegelte Kante der Lichtverteilplatte muss nach links zeigen! 3. Es folgt die Diffusorfolie. 4. Hier ist das Display aufgelegt. Der Anguss muss nach links zum Federsteg zeigen. 5. Der Display-Abdeckrahmen ist aufgesetzt und verschraubt. |
Nachdem
die LED-Anschlüsse auf der Unterseite verlötet und bündig gekürzt sind,
erfolgt das Einlegen der Leitgummis in die dafür vorgesehenen Schlitze
des LCD-Rahmens. Nun werden nacheinander das weiße Reflektorpapier, die
Lichtverteilplatte, die milchige Diffusorfolie und das Display
aufgelegt. Bei der Lichtverteilplatte muss die Seite mit dem weißen
Rasteraufdruck zum Reflektorpapier und die verspiegelte Außenkante zum
Federsteg weisen. Abbildung 3 zeigt die beschriebenen Schritte. Ebenso
muss der Anguss am Display zur linken Seite (zum Federsteg) weisen.
Sollten auf das Display oder auf die Diffusorfolie Schutzfolien
aufgeklebt sein, so sind diese vor dem Einbau zu entfernen. Abschließend
wird noch die Displayscheibe über die Einheit gestülpt und mit vier
Schrauben 1,8 x 6 mm verschraubt. Dabei ist darauf zu achten, dass die
Diffusorfolie nicht von ihrer Position unterhalb des Displays
verrutscht. Als Vorbereitung für den späteren Gehäuseeinbau können an
die Lötpads auf der Displayleiterplatte schon jetzt die mitgelieferten
Kabelstücke in der folgenden Zuordnung angelötet werden: Gelb an ST 1,
Grün an ST 2, Rot an ST 3, Schwarz an ST 4. Zuvor sind die Kabelenden 4
mm abzuisolieren, zu verdrillen und zu verzinnen. Auf der
Basis-Leiterplatte sind ebenfalls bereits alle SMDBauteile werkseitig
vorbestückt. Hier müssen nur noch die Elkos C 1 und C 2 sowie das Relais
REL 1 und der Transformator TR 1 bestückt werden. Insbesondere an den
Netzanschlüssen des Trafos und den Schaltkontakten des Relais ist dabei
Sorgfalt geboten und es muss eine hinreichende Menge Lötzinn verwendet
werden, um die Strombelastbarkeit der Anschlüsse zu gewährleisten. Die
Anschlüsse der Elkos müssen vor dem Einbau in einem Abstand von ca. 2
mm, unter Beachtung der Einbaulage bzw. Polarität, um 90 Grad abgebogen
werden. Die Elkos sind dann so in die Leiterplatte einzulöten, dass sie
in einer Linie mit der Leiterplatte liegen und nur noch ca. 6 mm über
die Oberseite herausragen.

|
| Bild 4: Der Zusammenbau des Steckdoseneinsatzes |
Nun
kann der Steckdoseneinsatz an der Basisleiterplatte angelötet werden.
Dieser ist zuvor wie in Abbildung 4 dargestellt vorzumontieren. In das
Steckerteil wird der Schutzleiterbügel eingesetzt, die Abdeckplatte
darüber eingerastet. Auf der Abdeckplatte wird die Kindersicherung mit
der Druckfeder so aufgesetzt, dass die Kindersicherung leicht seitlich
verschoben werden kann und die Feder sie stets wieder in die
Ausgangslage über den Kontaktbuchsen zurückdrückt. Der Steckdoseneinsatz
wird zunächst noch nicht aufgesetzt. Das Anlöten der Steckereinheit
muss mit besonderer Sorgfalt ausgeführt werden, da die Kontakte später
einen Strom von bis zu 16 Ampere führen müssen und eine fehlerhafte
Position zudem den Gehäuseeinbau erschwert. Deshalb ist darauf zu
achten, dass
- die Leiterplatte senkrecht zur Steckereinheit ausgerichtet ist,
- die Kontaktbleche mit einem kräftigen Seitenschneider auf die Länge der Lötflächen gekürzt worden sind,
- die Kontaktbleche vollständig in die Schlitze der Leiterplatte eingeschoben sind und
- das Verlöten mit einer hinreichenden Menge Lötzinn und, soweit möglich, beidseitig erfolgt.

|
| Bild
5: So wird das Sensorkabel um den Ferritring gelegt und mit einem
Kabelbinder gesichert. Der Verschluss muss neben dem Ferritring
eingelegt werden (siehe Bild unten), damit der Zusammenbau des Gehäuses
problemlos erfolgen kann. |
Als
letzte Vorbereitung vor dem Zusammenbau ist nun noch das Sensorkabel in
der Gehäuseunterschale zu verlegen. Es wird hierzu von außen durch den
Schlitz in das Gehäuse geführt, dort in fünf Windungen durch einen
Ferritring gelegt und abschließend mit einem Kabelbinder so fixiert,
dass neben dem Ferritring auch beide Wicklungsenden gut fixiert sind.
Die Detailfotos in Abbildung 5 zeigen, wie man dies am besten umsetzt.
Der Verschluss des Kabelbinders muss dabei seitlich neben dem Ferritring
liegen, damit er später nicht mit der Displayleiterplatte kollidiert.
Wenden wir uns nun dem Gehäuseeinbau zu, der aufgrund der recht engen
Bauverhältnisse nicht in der üblichen Reihenfolge, sondern kopfüber in
das Gehäuseoberteil erfolgt. In dieses Gehäuseoberteil müssen zunächst
der Steckdoseneinsatz und die drei Tasterkappen eingesetzt werden. Beim
Steckdoseneinsatz müssen die beiden langen Zapfen sich auf der dem
Display abgewandten Seite befinden. Bei den Tasterkappen ist die
Einbaulage ebenfalls nicht egal, da diese leicht abgeschrägt sind. Die
höhere Kante muss zum Display weisen. Nun kann die vorbereitete
Displayleiterplatte aufgesetzt und mit vier Schrauben 1,8 x 6 mm fixiert
werden. Als nächstes Bauteil ist der Niederhaltebügel in die
entsprechenden Schlitze der Displayleiterplatte zu setzten. Er fixiert
später die Basisleiterplatte in ihrer Lage. Da zwischen
Displayleiterplatte und Niederhaltebügel nur ein sehr geringer Abstand
vorhanden ist, sollten die rote und die schwarze Litze nicht hier,
sondern oberhalb des Quersteges verlegt werden. Jetzt kann die
Basisleiterplatte mit der Steckereinheit aufgelegt werden. Wenn die
Leitungen entsprechend geführt sind, sollte es keine Kollision mehr
zwischen der Displayleiterplatte und der Basisleiterplatte geben. Nun
erfolgt das Anlöten der vier Litzen an die entsprechenden Anschlüsse der
Basisleiterplatte. Die Zuordnung der Leiterfarben zu den Bezeichnungen
der Anschlüsse ist hierbei identisch mit der Displayleiterplatte. Als
letzte anzuschließende Leitung fehlt jetzt nur noch die Sensorleitung.
Damit diese nicht unnötig lang ist und dann beim Verschließen des
Gehäuses Probleme bereitet, sollte das Gehäuseunterteil dicht neben das
Gehäuseoberteil gelegt werden und die Leitung dann vor dem Anlöten
entsprechend gekürzt werden. Anschließend kann das Gehäuseunterteil
aufgelegt und mit fünf Schrauben 2 x 12 mm verschraubt werden. Nach
einer abschließenden Funktionskontrolle steht der vielseitigen
Verwendung des Universal-Thermostats nichts mehr im Wege.
|
| Ansicht
der fertig bestückten Display-Leiterplatte des UT 200 mit zugehörigem
Bestückungsplan, oben von der Oberseite, unten von der SMD-Seite |

|
| Ansicht
der fertig bestückten Basis-Leiterplatte des UT 200 mit zugehörigem
Bestückungsplan, oben von der Oberseite, unten von der SMD-Seite |
Fachbeitrag online und als PDF-Download herunterladen
Inhalt
Sie erhalten den Artikel in 2 Versionen:
als Online-Version
als PDF (6 Seiten)
Sie erhalten folgende Artikel:
- Temperaturen im Griff – Universal-Thermostat UT 200
- 1 x Journalbericht
- 1 x Schaltplan
Hinterlassen Sie einen Kommentar: