Perfekt ausgeleuchtet – LED-Kamera-Ringleuchte LED-RL 1
Aus ELVjournal
02/2008
0 Kommentare
Technische Daten
| Versorgungsspannung | 3–4,5 V (3 x Mignon-Batterie, LR6/AA) |
| Stromaufnahme | 400 mA bei UB = 4,5 V/650 mA bei UB = 3 V |
| ohne Zuordnung | LED-Strom |
| LEDs | 28 x Weiß |
| Ausleuchtungsabstand | 10–30 cm (optimal) |
| Wirkungsgrad | max. 85 % |
| Abmessung Basisgerät | 93 x 56 x 24 mm |
| Abmessung LED-Platine: | ø außen 71 mm/ø innen 53 mm |
Die
Kamera-Ringleuchte ist ein wertvolles Instrument für den
Hobbyfotografen, wenn es darum geht, Motive im Makrobereich
auszuleuchten. Die aus 28 weißen LEDs bestehende Leuchte wird mit Hilfe
eines Adapterrings vor das Kameraobjektiv geschraubt. Durch den
Abstrahlwinkel der LEDs ergibt sich im Bereich von ca. 10 cm bis 25 cm
vor der Leuchte eine optimale Ausleuchtung. Schön hell
Will
man, vorausgesetzt, die Kamera ist dafür geeignet, Bilder kleiner
Gegenstände im unmittelbaren Nahbereich aufnehmen (Makrofotos), so hat
man, sofern nicht helles und schattenfreies Tages- oder Studiolicht zur
Verfügung steht, bei der Ausleuchtung des Fotoobjekts ein Problem:
Blitzen, zumal mit dem internen Blitz, entfällt aufgrund der geringen
Entfernung und vor allem deswegen, weil das Licht z. B. durch das
Objektiv abgeschattet wird. So kommt nur eine externe
(Studio-)Beleuchtung in Frage, die allerdings nicht unerheblichen
Aufwand bedeutet und damit für den Gelegenheitsfotografen entfällt.
Außerdem sind derartige Beleuchtungseinrichtungen kaum in kompakter Form
zu transportieren, und vor allem sind sie abhängig vom Stromnetz, was
etwa das Detailfoto unterwegs auf der Modellbahnausstellung unmöglich
macht.
Eine Lösung ist eine kleine, leicht zu transportierende und vor allem
netzunabhängige Kameraleuchte. Solche Leuchten gibt es auch als
stromsparende LED-Zusatzleuchten, sie sind allerdings recht teuer und
erleichtern auch nicht immer die optimale Objektbeleuchtung bei
Makroobjekten.Wie
wäre es also, wenn man die Objektbeleuchtung quasi in die Kamera
integriert? Das war die Grundidee der Kamera-Ringleuchte. Sie wird
einfach mittels eines handelsüblichen Adapterrings auf das Objektiv
aufgesetzt und bietet im interessierenden Nahbereich bis 25 cm ein recht
homogenes Licht, das zudem der Lichtfarbe Tageslicht eher ähnelt als
normales Lampenlicht, das der Hobbyfotograf wohl meist einsetzt.
Durch den relativ schmalen Abstrahlwinkel der Leuchtdioden ist das Licht
deutlich vorausgerichtet, Streulichteinfall ins Objektiv tritt nicht
auf. Durch die sich überlappenden Leuchtbereiche der Leuchtdioden ergbit
sich in der Entfernung von 10 bis 25 cm vor dem Objektiv ein homogenes
Leuchtfeld ohne Abschattungen.
Die Befestigung der Leuchte erfolgt, wie bereits erwähnt, mittels eines
handelsüblichen Adapterrings (72 ↔ 58 mm). Vom 58-mm-Gewinde kann bei
Bedarf wieder auf ein anderes (kleineres) Gewinde gewechselt werden. So
ist die Ringleuchte an allen Kameras einsetzbar, die über ein Objektiv
mit Objektivgewinde verfügen.
Die Spannungsversorgung erfolgt durch eine kleine, batterie- oder
akkubetriebene Stromversorgungseinheit, die mit nur 3 Batteriezellen
auskommt und so recht kompakt ausfällt. Sie wird über eine
handelsübliche Kameraschiene mit der Kamera verbunden. Möglich wird
diese kompakte Spannungsversorgung durch den Einsatz eines
Step-up-Spannungswandlers, der zum einen den Betrieb der weißen
Leuchtdioden aus nur drei 1,2- bis 1,5-V-Zellen sichert und zum anderen
dafür sorgt, dass man die Zellenkapazität wirklich weitgehend ausnutzen
kann, indem er das Ausgangsspannungsniveau über einen weiten
Eingangsspannungsbereich konstant hält. Schaltung
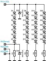
Die
Schaltung der LED-Ringleuchte besteht zum einen aus der LED-Platine
(Abbildung 1), auf der lediglich die LEDs und die entsprechenden
Vorwiderstände untergebracht sind, und zum anderen aus der Steuerplatine
(Abbildung 2). Zur LED-Platine braucht nicht viel gesagt zu werden.
Hier befinden sich insgesamt 28 LEDs, die in vier Gruppen mit je 7 in
Reihe geschalteten LEDs aufgeteilt sind.
|
| Bild 1: Die Schaltung der Leuchteneinheit |

|
| Bild 2: Die Schaltung des Step-up-Spannungswandlers |
Legt
man eine LED-Flussspannung von 3,25 V und einen Strom von ca. 15 mA
zugrunde, ergibt sich rechnerisch eine Betriebsspannung von 24 V (7 x
3,25 V + 1,25 V) für die LEDs. Dabei fällt über den Vorwiderständen (R 1
bis R 4) eine Spannung von 1,25 V ab. Die Spannung über dem (Shunt-)
Widerstand R 1 wird von der Steuerelektronik genutzt, um den LED-Strom
zu messen. Über den Anschluss
K 4 (Sense) gelangt diese Spannung, die proportional zum fließenden
Strom durch einen LED-Strang ist, zur Steuerplatine. Hiermit lässt sich
ein geschlossener Regelkreis realisieren, dessen Ist-Wert der LED-Strom
ist. Somit ist sichergestellt, dass die Helligkeit bzw. der LED-Strom
immer gleich bzw. konstant ist.
Kommen wir nun zur Steuerplatine, die in Abbildung 2 dargestellt ist.
Hier erfolgt die Erzeugung der relativ hohen Betriebsspannung aus der
4,5-V-Batteriespannung. Dabei kommt ein moderner Step-up-Wandler vom Typ
TPS61081 (IC 2) des Herstellers Texas Instruments zum Einsatz. Aus
„nur“ 4,5 V erzeugt dieser Schaltregler (IC 2 ) die notwendige
Ausgangsspannung von ca. 24 V. IC 2 erfordert nur eine minimale
Außenbeschaltung. Lediglich die Speicherspule L 1 sowie der Kondensator C
2 gehören zur direkten Peripherie von IC 2. Durch die relativ hohe
Schaltfrequenz (600 kHz) kann für
L 1 ein sehr kleiner Wert und die daraus resultierende kleine Baugröße
zum Einsatz kommen.
Folgende Features von IC 2 sollten noch erwähnt werden: Softstart,
kurzschlussfest, Überspannungsschutz, Abschaltung bei zu kleiner
Eingangsspannung oder bei thermischer Überlastung. Ein weiterer
wichtiger Punkt ist die automatische Abschaltung, wenn keine Last
vorhanden ist. Dies ist z. B. dann der Fall, wenn der Stecker zur
LED-Platine gezogen wird.
Das Ein- und Ausschalten erfolgt nicht durch Unterbrechung der
Batteriezuleitung, sondern mittels Schalter S 1 über den Enable-Eingang
von IC 2. Dies hat den Vorteil, dass der Ein- Aus-Schalter keine hohe
Schaltleistung aufweisen muss, sondern lediglich einige Milliampere
schaltet. Zudem entfällt ein eventueller Spannungsabfall über dem
Schalter, da der Betriebsstrom auf bis zu 750 mA ansteigen kann.
Mit IC 3 und den Widerständen R 1, R 2, R 4 und R 5 ist eine
Low-Bat-Erkennung (Anzeige) realisiert. Beim Unterschreiten einer
Batteriespannung von 2,6 V schaltet der Ausgang von IC 3 auf Masse,
wodurch zum einen die LED „Low-Bat“ aufleuchtet und zum anderen der
Schaltregler IC 2 abgeschaltet wird. Durch eine Hysterese (bedingt durch
R 5) schaltet sich die Spannungserzeugung erst wieder ein, wenn die
Batteriespannung über einen Wert von 3 V ansteigt.
An die Anschlussleiste ST 1 wird über eine Buchsenleiste
(K 1 bis K 4) die LED-Platine angeschlossen. Die Spulen L 2 und L 3 in
den Zuleitungen dienen der Unterdrückung von Störsignalen. Nachbau

|
| Bild 3: So ist der Ferritkern auf die Zuleitung aufzubringen. |
Wir
beginnen den Nachbau mit der Steuerplatine. Die Platine wird bereits
mit SMD-Bauteilen bestückt geliefert, so dass nur die mechanischen bzw.
bedrahteten Bauteile bestückt werden müssen. Somit umgeht man eventuelle
Handling- und Bestückungsprobleme auf der Platine. Hier ist lediglich
eine abschließende Kontrolle der bestückten Platine auf
Bestückungsfehler, eventuelle Lötzinnbrücken, vergessene Lötstellen usw.
notwendig.
Die Polung der LED ist durch den etwas längeren Anschluss (Anode, +)
gekennzeichnet. Der kurze Anschluss ist somit die Katode (-). Die
Einbauhöhe der LED beträgt 18 mm (gemessen zwischen LED-Oberkante und
Platine). Nach dem Verlöten der LED-Anschlüsse auf der
Platinenunterseite werden die überstehenden Drahtenden abgeschnitten.
Als Nächstes werden die mechanischen Bauteile eingesetzt und verlötet.
Bei den Batteriekontakten ist darauf zu achten, dass Plus- und Minuspol
unterschiedliche Bauformen aufweisen. Am Platinenaufdruck ist die
jeweilige Bauform erkennbar. Die Haltewinkel der Kontakte müssen
unbedingt auf der Platine aufliegen, da diese sich sonst beim Einsetzen
der Batterien verbiegen! Zum Schluss sind der Schalter und die
Stiftleiste zu bestücken und sorgfältig zu verlöten.
Kommen wir nun zum Aufbau der LED-Platine. Wie bei der Steuerplatine
sind auch hier die SMD-Bauteile schon vorbestückt.
Zuerst werden alle LEDs in die Platine eingesetzt, ohne diese zu
verlöten. Die Polung der LEDs ist an der abgeflach-
ten Gehäuseseite (Katode, -) bzw. dem längeren Anschluss
(Anode, +) erkennbar. Erst wenn man das obere Kunststoffteil (mit den
LED-Bohrungen) aufgesetzt hat, können die LEDs auf der
Platinenunterseite verlötet werden. Jetzt lässt sich die
Kunststoffabdeckung problemlos wieder entfernen, um die vier
Anschlussleitungen des fertig konfektionierten Kabels (K 1 bis K 4)
anzulöten.
Wichtig: Auf das Anschlusskabel wird zuvor ein Ferritring, wie es
Abbildung 3 zeigt, montiert. Dieser dient der Störunterdrückung und ist
aus EMV-technischen Gründen erforderlich. Die farbliche Zuordnung der
Kabel ist wie folgt:
K 1 = Rot / K 2 und K 3 = Schwarz / K 4 = Blau. Die Kabelenden werden
abisoliert und dann rückseitig durch die entsprechenden Bohrungen in
der Platine geführt und verlötet. Es ist eine maximale Länge von ca. 35
cm für die einzelnen Leitungen vorgesehen, die man bei Bedarf aber auch
kürzen kann.Nun
ist die obere Kunststoffabdeckung wieder aufzusetzen. Die Abdeckung
verhindert ein Berühren der LED-Anschlusskontakte im späteren Betrieb.
Dieser Berührungsschutz verhindert eine Zerstörung der einzelnen LEDs
durch elektrische Entladungen. Die Zuleitung muss ebenfalls vor ESD
(elektrischen Entladungen) geschützt werden. Dies erfolgt durch die
beiden Transildioden (D 29 und D 30), die sich auf der
Platinenunterseite befinden. Die Platinenunterseite und somit die
Lötanschlüsse der LEDs werden später ebenfalls mit einem Kunststoffring
abgedeckt.
Damit ist der Aufbau der beiden Platinen beendet, und wir können uns der
Inbetriebnahme und Montage widmen. Inbetriebnahme und Montage

|
| Bild 4: Die Befestigungsplatte für die Befestigung auf einer Blitzschiene |
Nach
dem polrichtigen Einsetzen der Batterien und der Kontaktierung der
LED-Platine kann die Schaltung auf Funktion geprüft werden. Nach dem
Einschalten sollten alle LEDs in gleicher Intensität aufleuchten.
Nach dem erfolgreichen Funktionstest erfolgt der Einbau der
Steuerplatine in das Gehäuse. Hierzu wird die Platine einfach in das
Gehäuseoberteil gelegt, so dass die Gehäusenuten in die Platine fassen,
und anschließend das Gehäuseunterteil aufgesetzt bzw. geschoben.
Zur Befestigung des Gehäuses z. B. auf einer Blitzschiene kann auf der
Unterseite eine zusätzliche Befestigungsplatte angebracht werden. Durch
die in dieser Befestigungsplatte befindliche M4-Mutter (siehe Abbildung
4) und eine entsprechende M4-Schraube ist eine universelle
Befestigungsmöglichkeit gegeben (Abbildung 5). Die Befestigungsplatte
wird mit zwei Schrauben am Gehäuseunterteil (siehe Abbildungen 4 und 5)
festgeschraubt.
|
| Bild 5: Die Befestigung des Stromversorgungsgerätes an der Blitzschiene |
Montage der LED-Platine

|
| Bild 6: Die Bestandteile der Ringleuchte: LED-Platine, Metalladapter, Kunststoffadapter, LED-Abdeckung |
Die
Abmessungen der Platine sind so ausgelegt, dass eine Montage auf einem
handelsüblichen Adapterring (72<-> 58) möglich ist. Dieser Adapter
bietet genügend Platz, die LED-Platine aufzunehmen. Die Platine wird
nicht direkt auf dem Adapter befestigt, sondern zuerst auf einen
Kunststoffring geklebt. Da der Adapter aus Metall (Alu) besteht, wäre
die Kurzschlussgefahr durch die Lötpunkte der LEDs sonst zu groß. Der
Kunststoffadapter hat eine spezielle eingefräste Nut für die Lötstellen
der LEDs. Die einzelnen Komponenten sind in Abbildung 6 dargestellt. Zum
Verkleben kann herkömmlicher Haushaltskleber, Heißkleber oder auch
entsprechend zugeschnittenes, doppelseitiges Klebeband verwendet werden.
Abbildung 6 zeigt auch den bereits erwähnten Abdeckring, der zum
Schluss auf die LED-Platine aufzusetzen ist.Low-Bat-Anzeige

|
| Bild 7: So sieht die Einheit fertig montiert aus. |
Sinkt
die Spannung der Batterien unter einen Wert von 2,6 V, leuchtet die LED
„Low-Bat“ und die LEDs werden abgeschaltet. Erst wenn die
Batteriespannung über 3 V ansteigt bzw. neue Batterien eingelegt werden,
lässt sich das Gerät wieder einschalten.
Hinweis: Bedingt durch den Innenwiderstand der Batterien bzw. Akkus
(abhängig von Hersteller und Zustand) kann es dazu kommen, das die LEDs
im Wechsel mit der „Low-Bat“-LED wieder aufleuchten. Dies erklärt sich
dadurch, dass bei einer Low-Bat-Erkennung die LEDs abgeschaltet werden,
hierdurch die Leerlaufspannung der Batterien ansteigt, da kein Strom
mehr fließt. Ist eine Leerlaufspannung von 3 V erreicht, schaltet die
Elektronik die LEDs wieder an. Bedingt durch den jetzt fließenden
Laststrom sinkt die Batteriespannung aber wieder ab, bis der
Low-Bat-Level wieder unterschritten wird. LEDs werden abgeschaltet usw.
Hier sind also die Batterien zu wechseln.
Die fertig montierte Leuchte ist nun einsatzbereit. Abbil-
dung 7 zeigt die Anordnung im Einsatz. Natürlich muss sich die Kamera
zur Makrofotografie eignen. Die meisten Kameras haben hierfür sogar eine
besonders anzuwählende Makro-Betriebsart.
Derart ausgestattet ist also das Fotografieren kleiner Gegenstände kein
Problem mehr. Die gesamte Anordnung sollte in jeder Fototasche noch
Platz finden.
|
| Ansicht der fertig bestückten Steuerplatine mit zugehörigem Bestückungsplan |

|
| Fertig bestückte LED-Einheit mit zugehörigem Bestückungsplan, links von der Bestückungsseite, rechts von der Lötseite |
Fachbeitrag online und als PDF-Download herunterladen
Inhalt
Sie erhalten den Artikel in 2 Versionen:
als Online-Version
als PDF (5 Seiten)
Sie erhalten folgende Artikel:
- Perfekt ausgeleuchtet – LED-Kamera-Ringleuchte LED-RL 1
- 1 x Journalbericht
- 1 x Schaltplan
Hinterlassen Sie einen Kommentar: