Ferngesteuert aufzeichnen – Videorecorder-Alarm-Interface VAI 100

0,00
Aus ELVjournal 05/2008     2 Kommentare
 Ferngesteuert aufzeichnen – Videorecorder-Alarm-Interface VAI 100
Bausatzinformationen
ungefähr Bauzeit(Std.)Verwendung von SMD-Bauteilen.
22OK5/08

Inhalt des Fachbeitrags

PDF- / Onlineversion herunterladen

Technische Daten

7–15 VDC/Steckernetzteil oder vom Videorecorder
max. 100 mA
10 s bis 4 Min (einstellbar)
1 x Schaltkontakt (Schließer), 1 x Spannung (3–24 V)
FS20-Empfangsmodul 868 MHz (optional)
4 x Relaiskontakte (potentialfrei)
103 x 65 x 25 mm

Sie suchen noch ein günstiges Aufzeichnungsgerät für Ihre Überwachungskamera? Nehmen Sie doch Ihren Videorecorder! Das Alarm-Interface VAI 100 ermöglicht die Nutzung eines solchen Recorders für die ereignisgesteuerte Videoaufzeichnung. Dabei wird der Recorder wahlweise über ein kabelgebundenes Schaltsignal oder über Funk (FS20-Schaltsignal) automatisch für einen programmierbaren Zeitraum auf Aufnahme geschaltet. Das Interface ist sogar so programmierbar, dass der Recorder unbeaufsichtigt aufnehmen kann!

Arbeit für den Videorecorder!

Es muss nicht gleich der digitale Profi-Festplattenrecorder sein, wenn man sich daheim eine einfache Videoüberwachungsanlage installieren will! Der gute, alte Heim-Video- Bandrecorder kann das genauso gut erledigen, er bedarf nur der Bedienung. Leider verfügt kaum ein normaler Recorder über einen echten Fernsteueranschluss, wozu auch, erfolgt doch die Bedienung bequem per Infrarot-Fernbedienung. Für den ambitionierten Elektroniker bzw. den Fachmann ist es jedoch ein Leichtes, einen solchen Recorder fachgerecht so umzurüsten, dass er von außen z. B. über Relaiskontakte steuerbar ist. Und – es muss ja kein ladenneuer Recorder sein, wenn auch deren derzeitiges Preisniveau eine Verlockung ist. Der noch intakte Gebrauchte, der schon eine Weile in der Ecke steht, nur weil ein Festplatten- oder DVD-Recorder seinen Platz eingenommen hat, kann hier wieder zu neuen Ehren kommen. Unser Alarm-Interface bildet hier nicht nur die Schnittstelle zwischen Videorecorder und der Außenwelt, sondern er bietet dank eingebauter Intelligenz noch einige Komfortfunktionen wie z. B. das automatische Zurückspulen bei Bandende. Das Alarm-Interface ermöglicht sowohl das kabelgebundene Aktivieren der Aufnahmefunktion des Videorecorders als auch die bequeme Ansteuerung per FS20-Funkstrecke. So kann etwa ein FS20-Bewegungsmelder, der das gleiche Areal überwacht wie eine Überwachungskamera, z. B. die Einfahrt, dazu eingesetzt werden, den Videorecorder anzusteuern. Das Interface wird dazu direkt mit dem Tastenfeld des Videorecorders verbunden. Am Gerät lässt sich die Aufnahmedauer im Bereich von 10 Sekunden bis 4 Minuten einstellen, so werden nur relevante Szenen aufgezeichnet und die Aufzeichnungskapazität maximal genutzt. Bei längeren Ereignissen sorgt ja das „Nachtriggern“ durch den Alarmkontakt sowieso dafür, dass keine wichtige Aufzeichnung verloren geht. Die Auslösung kann per Schaltkontakt, Schaltspannung oder über ein (optionales) FS20-Funkmodul erfolgen, die Steuerung des Videorecorders erfolgt über 4 potentialfreie Relaiskontakte. Die Spannungsversorgung kann sowohl über ein eigenes Netzteil als auch, bei fachgerechter Ausführung, vom Videorecorder aus erfolgen.
Hinweis! Dadurch, dass ein Eingriff am Videorecorder vorgenommen werden muss, ist dieses Projekt nur für denjenigen geeignet, der die Umrüstung des Videorecorders fachgerecht vornehmen kann. Dabei sind auch die in diesem Artikel gegebenen Sicherheitshinweise genauso zu beachten wie die Tatsache, dass eventuell vorhandene Garantie- bzw. Gewährleistungsansprüche mit dem Eingriff hinfällig sind.

Beschäftigen wir uns nun erst einmal näher mit den Möglichkeiten, die das Video-Alarm-Interface VAI 100 bietet!

Programmierung

Die Programmierung des Interfaces erfolgt über insgesamt fünf, gegen versehentliche Fehlbedienung versenkt untergebrachte, Tasten, unterstützt durch Statusanzeigen.

Eingabe der Kassettengröße (Spieldauer)

Bild 1: Die Tastenbelegung des VAI 100 im Programmiermodus
Bild 1: Die Tastenbelegung des VAI 100 im Programmiermodus
Einige Minuten vor dem Erreichen des „Bandendes“ wird vom VAI 100 der Rücklauf (Rewind) aktiviert. Dies ist notwendig, da sonst unter Umständen die letzten Aufnahmen verloren gehen könnten. Ca. 20 Minuten vor „Bandende“ wird automatisch zurückgespult. Damit das Gerät weiß, wann zurückgespult werden muss, ist die Eingabe der Kassettengröße (Spielzeit in Minuten) notwendig. Hierzu werden zunächst die beiden Tasten 2 (Stop) und 3 (Rec) gleichzeitig für 3 Sekunden gedrückt. Mit den Tasten 1 bis 4 kann jetzt durch kurzes Antippen der entsprechenden Taster die Spielzeit eingegeben werden. Die Tastenbelegung in diesem Programmiermodus ist in Abbildung 1 dargestellt. Durch längeres Betätigen der Tasten 1 oder 2 wird zusätzlich festgelegt, ob der Recoder im Standardmodus (SP) oder Longplay-Modus (LP) arbeiten soll. Optisch wird dies mit den LEDs „Record (LP)“ und „Power (SP)“ angezeigt. Durch gleichzeitiges langes Betätigen der Tasten 2 und 3 verlässt man diesen Programmiermodus und die Werte werden abgespeichert.

Programmierung der Aufnahme–Startsequenz

Die Aufnahme-Startsequenz gibt an, welche Tasten in welcher Reihenfolge betätigt werden müssen, damit der Recorder die Aufnahme startet. Im Normalfall ist dies das gleichzeitige Drücken der Tasten „Play“ und „Record“. Es gibt allerdings auch Recorder (z. B. JVC) bei denen man nur eine Taste (OTR = One-Touch-Recording) betätigen muss. Zum Programmieren dieser Sequenz sind die Tasten 1 (Play) und 2 (Stop) für ca. 3 Sekunden gedrückt zu halten, bis die LED „Record“ blinkt. Nun werden die mit dem Videorecorder korrespondierenden Tasten, hier als Beispiel die Tasten 1 und 2, zeitgleich am VAI 100 betätigt. Bei einem Recorder mit OTRFunktion wird nur die Taste bzw. der Schaltausgang „Record“ benutzt. Im Prinzip können mehrere Tasten in einer bestimmten Reihenfolge betätigt werden. Die zeitliche Verzögerung und die Länge des Tastendrucks werden mit abgespeichert. Abschließend sind wiederum die Tasten 1 und 2 gedrückt zu halten, um den Programmiermodus zu beenden.

Programmierung der Aufnahme–Stoppsequenz

Die Programmierung der Stoppsequenz erfolgt in gleicher Weise wie bei der Startsequenz, mit dem Unterschied, dass hier die Tasten 3 und 4 zur Einleitung der Programmierung verwendet werden. Im einfachsten Fall wird nur die Stop-Taste programmiert, um die Aufnahme des Recorders zu stoppen.

Anlernen eines FS20-Senders (nur mit eingebautem FS20-Empfänger)

In den Anlernmodus gelangt man durch längeres Drücken der Taste „TEST“ (ca. 3 Sekunden). Dieser Modus wird durch wechselseitiges Blinken der LEDs „Record“ und „Power“ angezeigt. Jetzt löst man den FS20-Sender aus, der z. B. ein Bewegungsmelder oder ein Handsender sein kann. Nachdem der FS20-Code erkannt wurde, beginnt die grüne LED (Power) schnell zu blinken. Nachdem dieser Code im internen EEPROM gespeichert ist, kehrt das Gerät wieder in den Ausgangszustand zurück.

Zurücksetzen in den Auslieferungszustand

Um das Gerät in den Auslieferungszustand zu versetzen, ist zunächst der eben beschriebene Anlernmodus zu aktivieren. Jetzt wird die Tastenkombination „Rewind“ und „Test“ für 3 Sekunden betätigt, bis die LEDs für „Record“ und „Test“ schnell blinken. Alle Einstellungen sind jetzt gelöscht, und das Gerät befindet sich im Auslieferungszustand.

Damit kommen wir zur Schaltung des VAI 100.

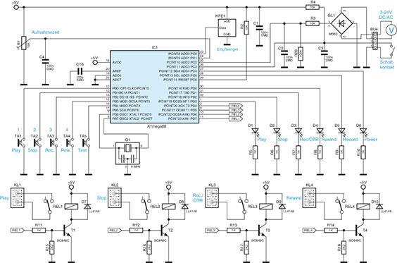
Bild 2: Das Schaltbild des VAI 100
Bild 2: Das Schaltbild des VAI 100
Das Schaltbild der Interfaceschaltung ist in Abbildung 2 dargestellt. Zentraler Bestandteil der Schaltung ist der Controller IC 1 vom Typ ATmega 88, der für die Auswertung der FS20- Signale und die Ablaufsteuerung zuständig ist. Ausgangsseitig stehen vier Relais (REL 1 bis REL 4) zur Verfügung, mit denen der Videorecorder „fernbedient“ wird. Jedes Relais wird von einem Schalttransistor T 1 bis T 4 geschaltet, angesteuert vom Controller IC 1. Mit dem Trimmer R 1 wird die Aufnahmezeit eingestellt. Der Schleiferkontakt von R 1 liefert eine Gleichspannung zwischen 0 und 5 V (je nach eingestelltem Wert), die auf den AD-Wandlereingang Pin 24 von IC 1 gelangt und von der Software ausgewertet wird. Mit den Tastern TA 1 bis TA 5 erfolgt die manuelle Bedienung bzw. die Programmierung. Zur optischen Kontrolle der Programmierung sind die Leuchtdioden D 1 bis D 6 vorgesehen. Die Alarmauslösung kann über drei verschiedene Quellen erfolgen: FS20-Empfangs-Modul, Schaltkontakt oder Spannungseingang (BU 4). Das optionale FS20-Empfansgsmodul HFE 1 leitet seine empfangenen Daten an den Controllereingang Pin 23 weiter. Wird ein gültiges Protokoll empfangen, erfolgt über die Relais eine Aktivierung der Aufnahme-Funktion am Videorecorder. Nach Ablauf der mit R 1 eingestellten Zeit (10 Sekunden bis 4 Minuten) wird die Aufnahme gestoppt. Ein weiterer Auslöser kann ein an BU 4 (Kontakt 3 und 4) anschließbarer Schalterkontakt (Schließer) sein. Hierdurch wird der Controllerpin 26 auf Masse gezogen. Über die Kontakte 1 und 2 von Eingang BU 4 kann eine externe Spannung zur Alarmauslösung angeschlossen werden. Diese Spannung kann sowohl eine Gleich- als auch eine Wechselspannung sein, da sie mit dem Brückengleichrichter GL 1 gleichgerichtet wird. Der Spannungsbereich erstreckt sich von 3 bis 24 V, so dürfte dieser Schalteingang für viele Anwendungen geeignet sein. Die Spannungsversorgung der Schaltung erfolgt wahlweise über die Buchse BU 3 oder die Klemme KL 5. Die Entkopplung dieser beiden Eingänge geschieht mit den beiden Dioden D 12 und D 13, die auch als Verpolungsschutz dienen. Mit dem Spannungsregler IC 1 (HT-7530) wird die Eingangsspannung auf die für den Controller IC 1 und das Empfangsmodul benötigten 3 V stabilisiert. Der zweite Spannungsregler IC 2 erzeugt eine stabile Spannung von 5 V für die Relais. Der Widerstand R 19, in Reihe zur Eingangsspannung, ist ein Sicherungswiderstand, der im Fehlerfall durchbrennt. Ein Austausch dieses Widerstandes darf nur mit einem Originalteil erfolgen!

Nachbau

Der Nachbau geschieht auf einer doppelseitigen Platine mit gemischter Bestückung von SMD- und bedrahteten Bauteilen. Die SMD-Bauteile sind schon vorbestückt, so dass hier lediglich eine abschließende Kontrolle der bestückten Platine auf Bestückungsfehler, eventuelle Lötzinnbrücken, vergessene Lötstellen usw. notwendig ist. Die Bestückung der bedrahteten Bauteile erfolgt in gewohnter Weise anhand der Stückliste, des Bestückungsdrucks und des Schaltbildes. Die Bauteile werden auf der Platinenunterseite verlötet und überstehende Drahtenden mit einem Seitenschneider gekürzt. Beim Bestücken des Elkos C 5 ist auf die richtige Polung zu achten. Bei diesem Kondensator ist der Minus- Pol auf dem Gehäuse gekennzeichnet. Für die spätere Bedienung des Trimmers R 1 wird eine Steckachse auf den Trimmer aufgesetzt. Die LEDs (D 1 bis D 6) sollten eine Einbauhöhe (gemessen zwischen LED-Oberkante und Platine) von genau 18 mm aufweisen. Bei Verwendung eines Empfangsmoduls wird dieses wie im Platinenfoto dargestellt eingelötet. Beim Standard-Empfangsmodul sind die Verbindungen zur Platine mit jeweils einem kurzen Stück Silberdraht hergestellt. Beim HQ-Modul sind die Lötstifte bereits auf der Empfängerplatine vorhanden. Bei diesem Modul ist die Antennenleitung, wie im Platinenfoto erkennbar, zu verlegen. Hier werden zwei Kunststoffhalter in die Platine eingesetzt (länglicher Schlitz in der Platine), durch die das Antennenkabel geführt wird. Zum Schluss werden die Buchsen und die Klemmen eingelötet und das 10-polige Anschlusskabel mit den Klemmen KL 1 bis KL 4 (KL 5) verbunden. Wie das Kabel angeschlossen wird, ist im Kapitel „Inbetriebnahme“ erklärt.

Hinweis

Der folgende Abschnitt beschreibt den Anschluss an den Videorecorder. Da sich im Gerät netzspannungsführende Bauteile befinden können, ist diese Tätigkeit nur Personen erlaubt, die aufgrund ihrer Ausbildung dazu befugt sind. Die einschlägigen Sicherheits- und VDE-Bestimmungen sind unbedingt zu beachten. Bei allen Arbeiten am geöffneten Gerät ist dieses zuvor vom Stromnetz zu trennen. Zudem erlischt durch die Modifikation die Herstellergarantie!

Inbetriebnahme

Für die Verbindung zwischen VAI 100 und dem Videorecorder wird ein 10-poliges Kabel verwendet. Jeder vom Relais kommende Schaltausgang ist potentialfrei und kann somit zu jedem beliebigen Taster parallelgeschaltet werden, unabhängig davon, ob dieser Taster gegen Masse schaltet oder sich in einer Matrix mit anderen Tastern befindet. Im ersten Arbeitsschritt wird das Gehäuse des Videorecorders geöffnet (vorher Gerät vom Netz trennen!). Das Anschlusskabel vom VAI 100 zum Videorecorder führt man durch eine Öffnung in der Rückwand. Falls keine passende Öffnung vorhanden ist, muss hier vorsichtig ein entsprechendes Loch gebohrt werden. Dabei ist sorgfältig darauf zu achten, dass keine Metallspäne ins Geräteinnere gelangen. Anschließend sucht man die Bedienteilplatte, auf der die Taster für Start, Stop, Play, Rewind und Record untergebracht sind.


Bild 3: Ein Beispiel für den fachgerechten Kabelanschluss am Bedienfeld des Videorecorders. Oben sind die auf der Bedienfeld-Rückseite verlöteten Anschlüsse und die gegen Zug gesicherte Gehäusedurchführung des Kabels zu sehen, darunter die Sicherung der Lage des Kabels durch Kabelbinder. Unten ist der Zusammenbau des Recorders zu sehen. Sind wie hier flexible Platinenverbinder vorhanden, sind diese sehr vorsichtig, ohne Gewaltanwendung und Knicken, aus den Steckverbindern zu trennen und wieder einzusetzen.
Bild 3: Ein Beispiel für den fachgerechten Kabelanschluss am Bedienfeld des Videorecorders. Oben sind die auf der Bedienfeld-Rückseite verlöteten Anschlüsse und die gegen Zug gesicherte Gehäusedurchführung des Kabels zu sehen, darunter die Sicherung der Lage des Kabels durch Kabelbinder. Unten ist der Zusammenbau des Recorders zu sehen. Sind wie hier flexible Platinenverbinder vorhanden, sind diese sehr vorsichtig, ohne Gewaltanwendung und Knicken, aus den Steckverbindern zu trennen und wieder einzusetzen.
In Abbildung 3 ist eine Beispielplatine dargestellt. Die Zuordnung, welches Kabel an welche Taste gelötet werden muss, ergibt sich durch den Platinenaufdruck am VAI 100: KL 1 an Play, KL 2 an Stop usw. Die farbliche Zuordnung der einzelnen Adern ist frei wählbar. Bei einigen Recordern (z. B. JVC) kann die Aufnahme durch Betätigung nur einer Taste gestartet werden. Diese Taste ist dann als „OTR = One-Touch-Recording“ gekennzeichnet. Das Anlöten (Parallelschalten zum Taster auf der Platine) sollte auf der Rückseite der Bedienplatine erfolgen. Das Kabel muss so im Gerät verlegt werden, dass keine mechanischen Laufwerksbauteile in ihrer Funktion gestört werden. Abbildung 3 zeigt, wie man mit Kabelbindern das Kabel sauber im Gerät fixieren kann. Wie schon erwähnt, kann auch die Spannungsversorgung für den VAI 100 durch den Videorecorder erfolgen. Es wird eine (un)stabilisierte Spannung im Bereich von 7 bis 15 V (belastbar mit max. 100 mA) benötigt, die dann polrichtig mit Klemme KL 5 verbunden wird. Herauszufinden, wo man diese Spannung im Videorecorder abgreifen kann, ist allerdings dem Fachmann vorbehalten. Hier sollte man auch den zum Gerät gehörenden Schaltplan sowie Platinenbestückungspläne zur Hand haben, da die Netzteile von Videorecordern oft sowohl spartanisch als auch mit vielen (ökonomischen) Schaltungstricks ausgestattet sind. Im Zweifelsfall sollte man das Gerät besser mit einem eigenen Steckernetzteil versorgen. Nachdem alles richtig angeschlossen und das Gehäuse des Videorecorders und des VAI 100 wieder geschlossen worden sind, kann der erste Funktionstest erfolgen. Der Videorecorder muss sich jetzt durch die Tasten am VAI 100 direkt fernbedienen lassen. Da die Tasten am VAI 100 bündig zum Gehäuse sind, um versehentliche Fehlbedienung auszuschließen, erfolgt die Betätigung mit einem spitzen Gegenstand (Kugelschreiber o. Ä.). Ein manuelles Auslösen der Alarmfunktion erfolgt durch Betätigen der Taste „Test“. Während der mit dem Trimmer eingestellten Aufnahmezeit (10 Sekunden bis 4 Minuten) blinkt die LED „Record“. Ist der Funktionstest erfolgreich verlaufen, ist nun nur noch die Programmierung vorzunehmen und das praktische Alarm-Interface kann seinen Betrieb aufnehmen.




Ansicht der fertig bestückten Platine des VAI 100 mit zugehörigem Bestückungsplan, oben von der Bestückungsseite, unten von der Lötseite
Ansicht der fertig bestückten Platine des VAI 100 mit zugehörigem Bestückungsplan, oben von der Bestückungsseite, unten von der Lötseite

Fachbeitrag online und als PDF-Download herunterladen

Inhalt

Sie erhalten den Artikel in 2 Versionen:

online  als Online-Version

pdf  als PDF (5 Seiten)

Sie erhalten folgende Artikel:
  • Ferngesteuert aufzeichnen – Videorecorder-Alarm-Interface VAI 100
    • 1 x Journalbericht
    • 1 x Schaltplan

Kommentare:

11.03.2011 schrieb Kurt Hölzer:
„Diese Schaltung ist sehr interessant. In der Beschreibung kann ich jedoch keinen Hinweis über Folgendes finden: Wodurch erkennt das Video-Alarm-Interface VAI 100, wenn am Aufnahmeeingang des Videorecorders ein Signal von einer Videokamera liegt, was bei Änderungen, wenn sich jemand vor die Kamera begibt, den Recorder auf „Aufnahme“ schalten soll? Über eine Antwort würde ich mich sehr freuen.”
  Name
  E-Mail
23.03.2011 schrieb ELV Elektronik AG:
„Der VAI 100 kann selber keine Bewegung erkennen. Er kann Wahlweise über einen Schaltkontakt der von der Kamera geliefert wird oder einen Schaltbefehl des FS20 Systems ausgelöst werden. So kann man z. B. neben die Kamera einen FS20 Bewegungsmelder montieren der dann das VAI 100 auslöst.”
  Name
  E-Mail


Hinterlassen Sie einen Kommentar:
  Name
  E-Mail
 
1